EasyManua.ls Logo

Glowworm Ultimate 50FF - Page 11

Glowworm Ultimate 50FF
40 pages
Print Icon
To Next Page IconTo Next Page
To Next Page IconTo Next Page
To Previous Page IconTo Previous Page
To Previous Page IconTo Previous Page
Loading...
11
221520F
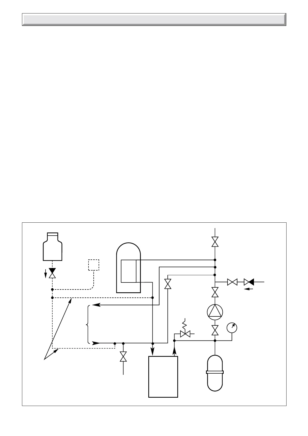
Diagram 3.5
3 LITRES (0.66 gals)
MAKE-UP BOTTLE
(if required)
NON-RETURN
VALVE
AUTO
AIR
VENT
FLOW
DRAIN
COCK
BOILER
SAFETY
VALVE
(Make-up
alternatives)
EXPANSION
VESSEL
PRESSURE
GAUGE
CIRCULATING
PUMP
FILLING POINT
AIR
RELEASE
POINT
HEATING
CIRCUIT
IF REQUIRED
15mm (min)
BY-PASS WITH
LOCKSHIELD
VALVE
RETURN
6457
3 Water Systems
3.12 Expansion Vessel
A diaphragm type expansion vessel, conforming to the current
issue of BS4814 (see also BS7074 Part 1 and 2) must be
connected at a point close to the inlet side of the circulating
pump, see diagram 3.5 unless laid down differently by the
manufacturer.
The expansion vessel volume depends upon the total water
system volume and the initial system design pressure. For any
system an accurate calculation of the vessel size is given in the
current issue of BS7074 Part 1.
Example: For an initial system design pressure of 0.7bar the
minimum total vessel volume required is 0.063xTotal System
volume.
Note. A higher initial design pressure requires a larger volume
expansion vessel.
Guidance on vessel sizing is also given in the current issue of
BS5449 and BS7074 Part 1.
The charge pressure must not be less than the static head of the
system, that is, the height of the highest point of the system
above the expansion vessel.
The water content of the boiler is given in Data Table 1.
3.13 Pressure Gauge
A pressure gauge with a set pointer and covering at least the
range of 0 to 4bar (0 to 60lb/in
2
) shall be permanently fitted to
the system in a position where it can be seen when filling the
system.
3.14 Domestic Hot Water Cylinder
SINGLE FEED INDIRECT CYLINDERS ARE NOT SUITABLE.
The domestic hot water cylinder must be of the indirect coil type.
It must be suitable for working at a gauge pressure of 0.35bar
above the safety valve setting.
3.15 Domestic Hot Water System - Unvented
Where a storage system will not have a vent to atmosphere the
installation must comply with Building Regulations and local
Water Company Bye-laws, see also the current issue of BS6700.
If fitting into an existing system the local authority must also be
advised.

Related product manuals