EasyManua.ls Logo

Goff 2460 - Page 43

Default Icon
105 pages
Print Icon
To Next Page IconTo Next Page
To Next Page IconTo Next Page
To Previous Page IconTo Previous Page
To Previous Page IconTo Previous Page
Loading...
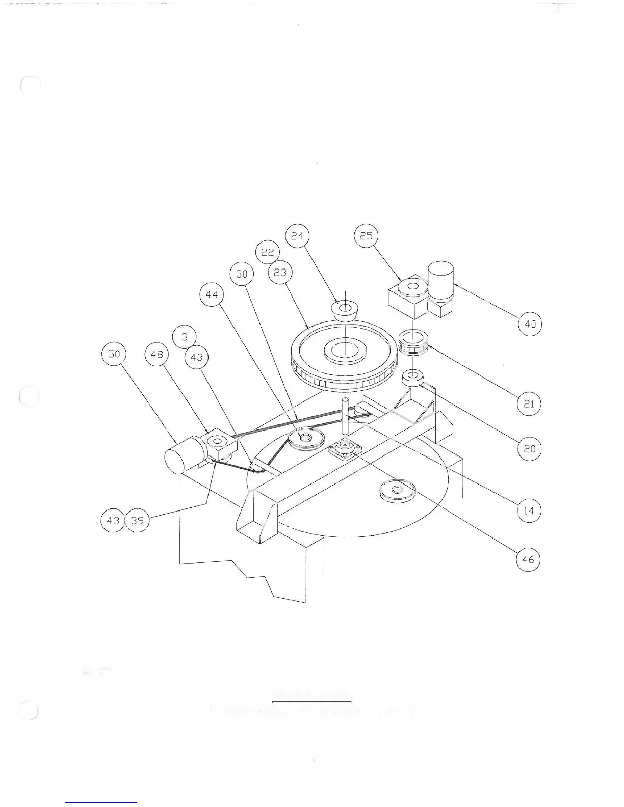
M01 159F
SPAN DETAIL
l

3-8