EasyManua.ls Logo

Goodman ASX - Page 77

Goodman ASX
80 pages
Print Icon
To Next Page IconTo Next Page
To Next Page IconTo Next Page
To Previous Page IconTo Previous Page
To Previous Page IconTo Previous Page
Loading...
ACCESSORIES WIRING DIAGRAMS
77
HIGH VOLTAGE!
DISCONNECT ALL POWER BEFORE SERVICING OR INSTALLING THIS
UNIT. MULTIPLE POWER SOURCES MAY BE PRESENT. FAILURE TO
DO SO MAY CAUSE PROPERTY DAMAGE, PERSONAL INJURY OR DEATH.
COM
XFMR-C
XFMR-R
SPEEDUP
C
NC
M1
K1
R
G
NO
K1
USE COPPER OR ALUMINUM WIRE
EQUIPMENT GROUND
35
2
14
TR
PC
PU
L1 L2
BL
W
BR
SR
PK
G
W
BR
BL
PU
R
BK
R
R
R
BK
BL
BL
R
208/240
24V
BL
R
M6
M5
RS2
W
BR
BL
BL
L1 L2
BK
BK
R
R
Y
Y
Y
M8
M7
BL
BL
BL
EBTDR
HTR2
FL HTR3
TL
FL HTR4 TL
8
9
7
6
5
4
3
1
2
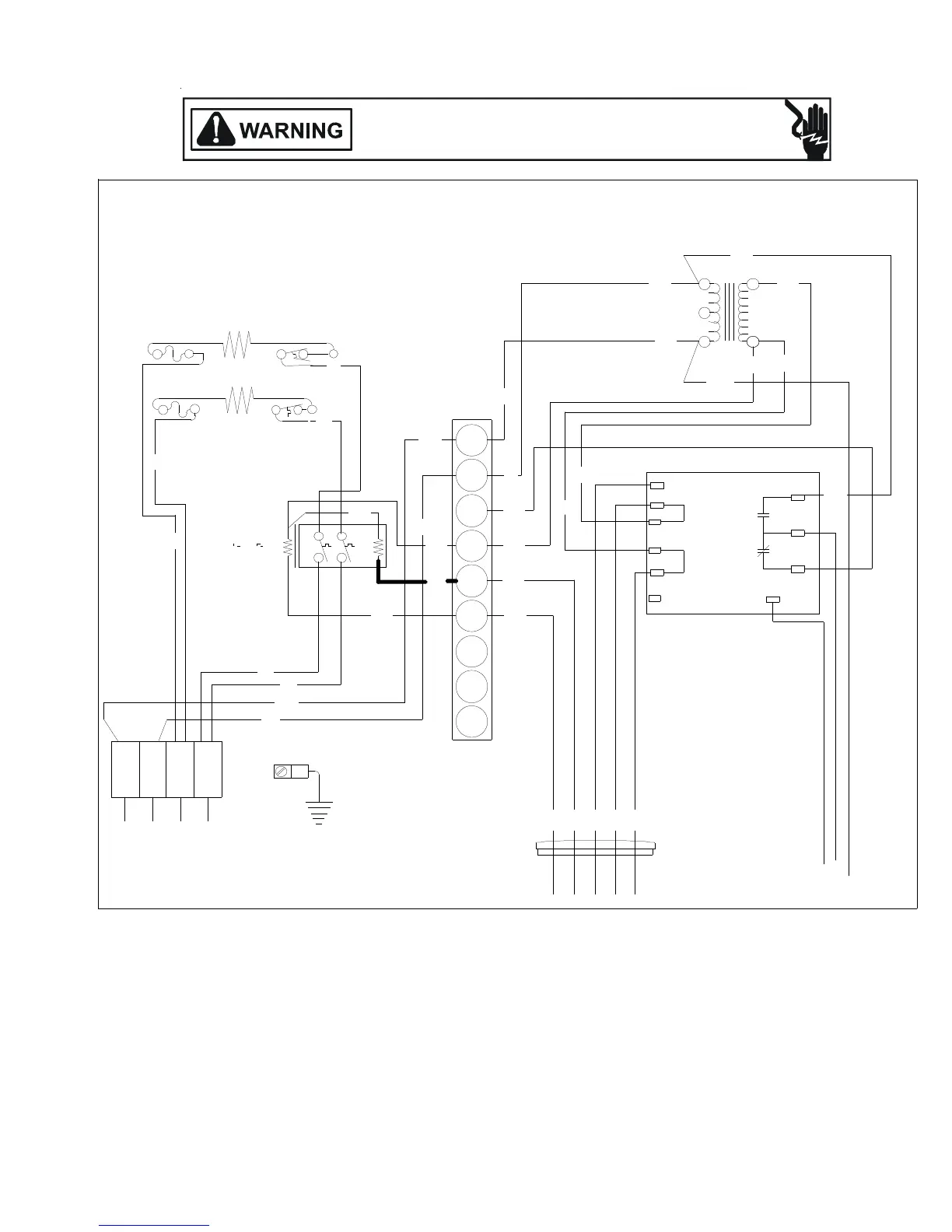
Typical Wiring Schematic MBR Blower with Electric Heat.
This wiring diagram is for reference only. Not all wiring is as shown above.
Refer to the appropriate wiring diagram for the unit being serviced.

Table of Contents

Related product manuals