EasyManua.ls Logo

GRE EESB55 - Page 12

GRE EESB55
56 pages
Print Icon
To Next Page IconTo Next Page
To Next Page IconTo Next Page
To Previous Page IconTo Previous Page
To Previous Page IconTo Previous Page
Loading...
4. Montaje del vaso
El vaso debe ser pegado en la tubería de retorno a piscina (050 o 063), después del filtro y
después de la bomba de calor.
Debe preverse un espacio suficiente en el lado desmontable del vaso para poder retirar el
electrodo.
No monte el vaso en esta dirección.
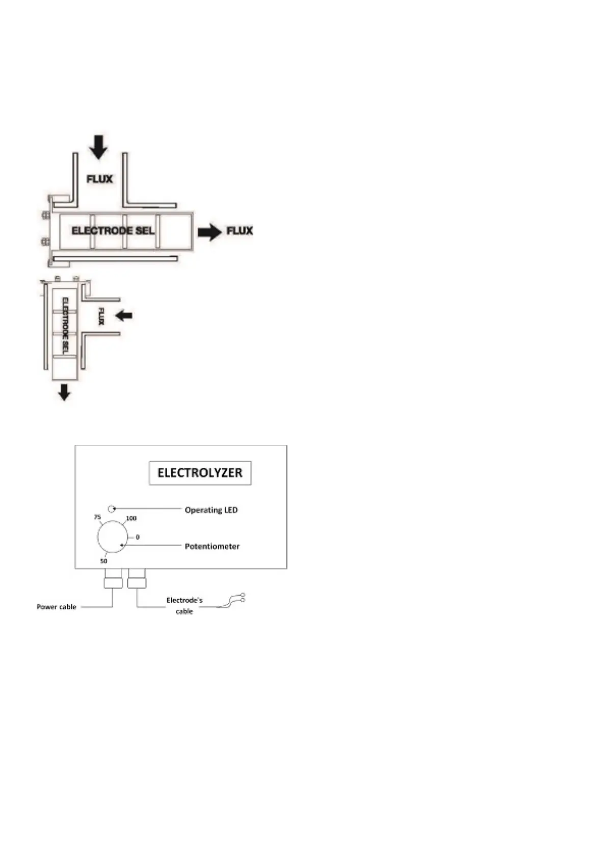
Funcionamiento
Vista frontal de la electrólisis
- LED rojo fijo: No producirá o estará en modo de espera, el potenciómetro entre el 0% y el
25%. Espere al menos 2 minutos después de la espera antes de la puesta en producción.
- LED verde: En la producción de entre el 25%
y el 100%. Utilice el potenciómetro para conseguir el nivel deseado de cloro.
- LED rojo intermitente: Fallo (véase el
capítulo 7 Electrodo calcificado).
5. Puesta en marcha
Antes de cualquier operación, el agua de la piscina debe ser cristalina. Use floculante si es
necesario y filtrar el agua y después limpiar el filtro.
Pasos para la primera puesta en marcha del dispositivo:

Other manuals for GRE EESB55

Related product manuals