EasyManua.ls Logo

GRE PP031 - Page 34

GRE PP031
54 pages
Print Icon
To Next Page IconTo Next Page
To Next Page IconTo Next Page
To Previous Page IconTo Previous Page
To Previous Page IconTo Previous Page
Loading...
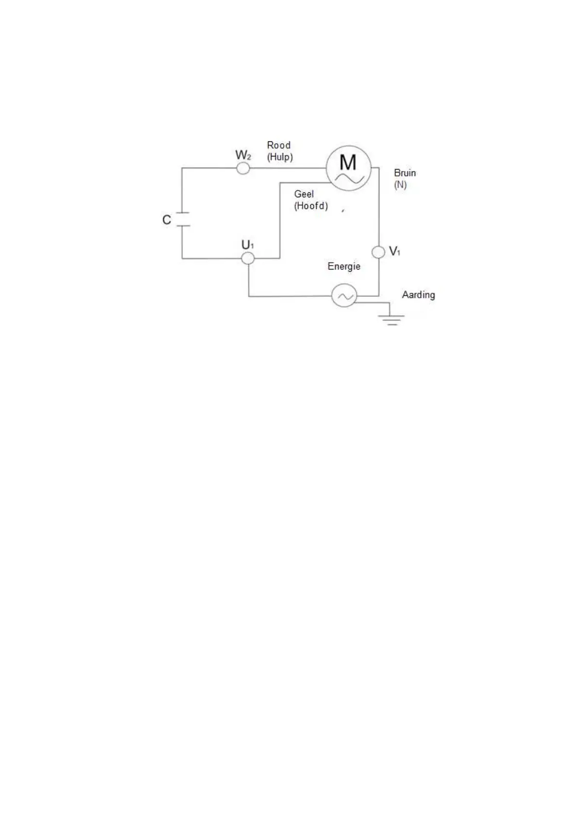
De pomp is uitgerust men een geïntegreerde thermische bescherming. Volg
het onderstaande installatieschema om een juiste elektrische aansluiting te
bekomen.
De elektrische installatie moet worden uitgevoerd door vakmensen die werden
opgeleid om elektrische installaties uit te voeren. Dit apparaat is niet ontworpen
om te worden gebruikt door kinderen, personen met een lichamelijke,
zintuiglijke of geestelijke beperking, of door personen die onvoldoende ervaring
of kennis hebben, tenzij er een persoon bij is die verantwoording neemt voor
hun veiligheid en hun de bovengenoemde instructies geeft om het apparaat te
kunnen bedienen.
Het is zowel voor kinderen als voor volwassenen verboden te steunen of plaats
te nemen op het toestel. Kinderen moeten steeds vergezeld zijn van een
volwassene opdat zij niet met het toestel zouden spelen.
Stel de waarde van de thermische relais in in functie van de intensiteit van de
pomp.
Elektrocutiegevaar bij een ongeschikte aansluiting op het lichtnet.
Montage van de slangen
De slangen moet vóór en achter de pomp worden gemonteerd en moeten een
diameter hebben die hetzelfde of groter is dan de ingang van de pomp.
De zuig- en uitstootslang mogen nooit in de pomp achterblijven.
Men moet alle aansluitingen en het deksel van de pomp goed afdichten om
waterverlies in de motor te vermijden. Dit waterverlies zou de motor kunnen
beschadigen.

Related product manuals