EasyManua.ls Logo

Gree Cozy GWC05MA-K1NNA9A - Page 29

Gree Cozy GWC05MA-K1NNA9A
114 pages
To Next Page IconTo Next Page
To Next Page IconTo Next Page
To Previous Page IconTo Previous Page
To Previous Page IconTo Previous Page
Loading...
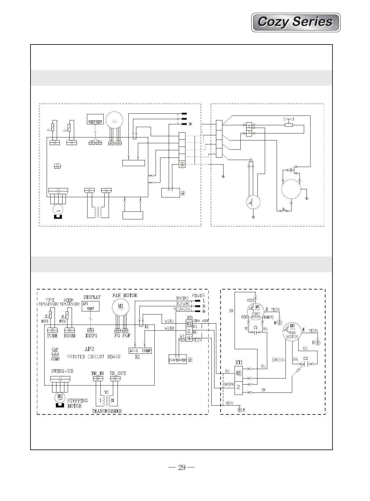
TR_IN
II
TR_OUT
TC
MOTOR
STEPPING
M2
SWING_UD
PGF
PG
M1
N
2
XT1
N
L
YEGN
BN
BU
BU
BK
POWER
CONN WIRE
4
N1
BK
BU
ROOM
DISP1
AP1
ROOM
DISPLAY
FAN MOTOR
OFAN
EVAPORATOR
OG
VT
AP2
PRINTED CIRCUIT BOARD
TUBE
0
RT2
TUBE
TEM.SENSOR
0
RT1
TEM.SENSOR
TRANSFORMER
YEGN
5
4V
VT
OG
YEGN
I
DISP2
K1
AC-L
COMP
CAP
JUMP
HEALTH-L HEALTH-N
RD BU
PE
IONIZER
E
YV
4-WAY VALVE
BL
VT
C
OR
XT
COMPRESSOR
YE/GN
S
YE
BK(BL)
BN(OR)
RD
~
BK
BK
SAT
C
~
E
MOTOR
FAN
M2
M1
E
BL
R<M>
C
BL
N
C
1
XT
2
YE/GN
E
E
GWH12MB-K1NNA8A
INDOOR UNIT
OUTDOOR UNIT
GWC09MA-K1NNA1A GWC12MB-K1NNA1A GWC12MB-K1NNA1B
INDOOR UNIT
OUTDOOR UNIT

Related product manuals