EasyManua.ls Logo

Gree Cozy Series - Electrical Circuit Diagrams

Gree Cozy Series
114 pages
To Next Page IconTo Next Page
To Next Page IconTo Next Page
To Previous Page IconTo Previous Page
To Previous Page IconTo Previous Page
Loading...
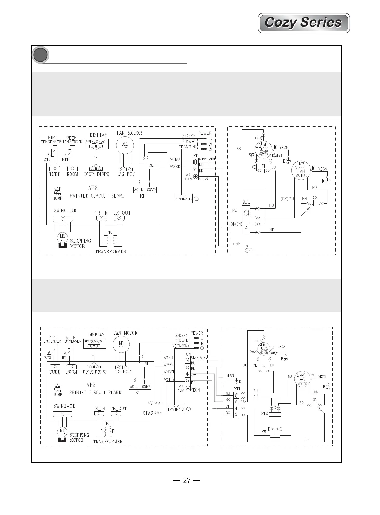
Electrical circuit diagram
Electrical circuit diagram
55
55
5
GWC09MA-K1NNA2A GWC12MB-K1NNA2A GWC09MA-K1NNA3A GWC12MB-K1NNA3A
GWC09MA-K1NNA4A GWC12MB-K1NNA4A GWC09MA-K1NNA5A GWC12MB-K1NNA5A
GWC12MB-K1NNA3B GWC12MB-K1NNA7A GWC12MB-K1NNA7B GWC09MA-K1NNA8A
GWC12MB-K1NNA8A GWC12MB-K1NNA8B GWC18MB-K1NNA4A GWC18MB-K1NNA5A
GWH09MA-K1NNA2A GWH12MB-K1NNA2A GWH09MA-K1NNA3A GWH12MB-K1NNA3A
GWH09MA-K1NNA4A GWH12MB-K1NNA4A GWH09MA-K1NNA5A GWH12MB-K1NNA5A
GWH09MA-K1NNA8A GWH18MB-K1NNA4A GWH18MB-K1NNA5A
INDOOR UNIT
OUTDOOR UNIT
INDOOR UNIT
OUTDOOR UNIT

Related product manuals