Home
Gree
Air Conditioner
GUD85W/NhA-T
Page 39 (Floor Ceiling Type)
Gree GUD85W/NhA-T - Floor Ceiling Type
224 pages
Manual
To Next Page
To Next Page
To Previous Page
To Previous Page
Loading...
GREE
U
-
Mat
ch 5 SE
RIES
UNI
T SERV
ICE
MANU
AL
36
Mode
l:
GUD160
PH/A
-
T
, GUD1
60PHS/A
-T
Fl
oor
C
eili
ng T
ype
Mode
l:
GUD
35Z
D/A
-
T
, GUD50ZD/A
-
T
, GUD71ZD/A
-
T
, GUD85ZD/A
-
T
, GUD10
0ZD/A
-
T,
GUD125ZD/A
-
T
, GUD140ZD
/A
-
T
, GUD
160ZD
/A
-T
38
40
Table of Contents
Main Page
Default Chapter
2
Safety Notice
2
Table of Contents
3
Safety Notice on Maintenance
4
Safety Notice on Operation
5
Product Introduction
6
Lists of Units
6
List of Odus
6
List of Idus
8
Electrical Parameters
12
Control
13
Operation Mode
13
Cooling Mode
13
Power on
13
Heating Mode
14
Control Mode
14
Based Control
14
Compressor Control
14
Outdoor Fan Control
15
4-Way Valve Control
15
Special Control
15
Defrosting Control
15
Forced Operation Control
16
Protection Control
16
High Pressure Protection Control
16
Functions
17
Low Pressure Protection Control
17
High Temperature Prevention Control
17
Setting of Filter Cleaning Reminder
17
Low-Temperature Drying Function
18
Child-Lock Function
18
Memory Function
18
Door Control Function
18
Switch between Fahrenheit and Degree Celsius
19
Inquiry of Ambient Temperature
19
Inquiry of Historical Malfunction
19
Debugging Function
19
Setting Ambient Temperature Sensor
20
Displaying Setting of Freeze Protection Error Code
20
Setting Refrigerant Lacking Protection Function
20
Selecting Blowing Residual Heating of Indoor Unit
20
Mode Selecting of Compressor Electric Heating Belt
21
Selecting Low-Power Consumption Mode
21
Selecting Door Control Function
21
Selecting Long-Distance Monitoring or Centralized Controller
21
Selecting Fan Mode of Indoor Fan Motor
22
P9 (LCD Displays 09)
23
Selecting Compensation of Temperature Sensor at Air Return
23
Auto Mode Selection
24
Defrost Mode Selection
24
Heat Pump Unit and Cooling Only Unit Selection
24
Setting of Master and Slave Wired Controller
25
Connect to Interface of Centralized Controller
25
Interface Instruction
25
Function Instructions
25
Connect to Interface of the MODBUS
27
Troubleshooting
29
Wiring Diagrams
29
Wiring Diagrams of ODUS
29
Model: Gud50W/Nha-T
30
Model: Gud71W/Nha-T, Gud85W/Nha-T
30
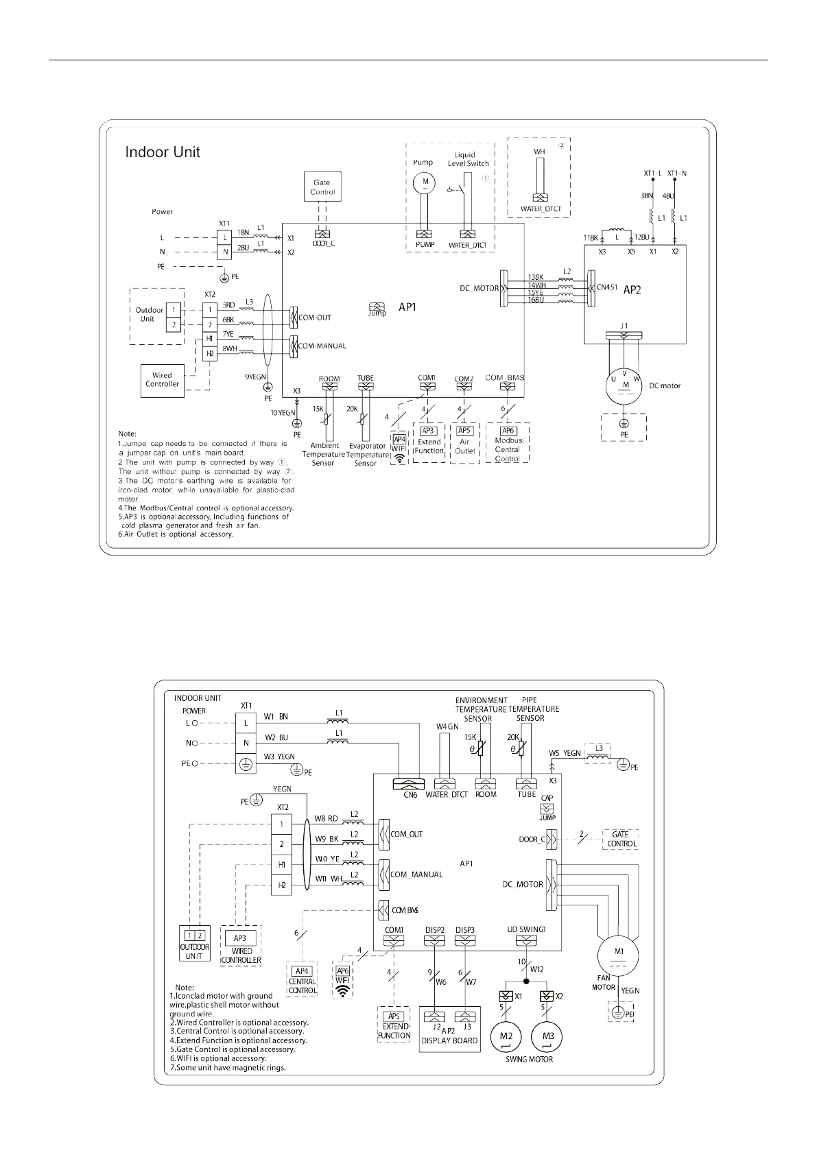
Wiring Diagrams of Idus
36
Duct Type
37
Floor Ceiling Type
39
Wall Mounted Type
40
PCB Layout
41
Interface
41
Mainboard
48
Drive Board
49
Filtering Board
50
Power Board
50
IPM, PFC Testing Method
54
Method of Testing IPM Module
54
Method of Testing PFC Module Short Circuit
55
Error Code
56
“E1” Compressor High Pressure Protection
58
Troubleshooting
58
“E2” Indoor Anti-Freezing Protection
60
“E3” Compressor Low-Pressure Protection
61
Refrigerant Shortage Protection
61
Refrigerant Recovery Mode
61
E3 Protection
62
“E4” Compressor Air Discharge High-Temperature Protection
62
“E6” Communication Error
64
“E8” Indoor Fan Error
65
“E9” Water Overflow Protection
66
“F0” Indoor Ambient Temperature Sensor Error
67
“F1” Evaporator Temperature Sensor Error
67
“F2” Condenser Temperature Sensor Error
68
“F3” Outdoor Ambient Temperature Sensor Error
69
“F4” Discharge Temperature Sensor Error
70
“F5” Wired Controller Temperature Sensor Error
71
“C5” IDU Jumper Cap Error
72
“EE” ODU Memory Chip Error
72
“PF” Electric Box Sensor Error
73
“H3” Compressor Overload Protection
74
“H4” Overload
74
“H5” IPM Protection
75
“H6” DC Fan Error
76
“H7” Driver Out-Of-Step Protection
77
“HC” PFC Protection
79
“Lc” Startup Failure
80
“Lp” IDU and ODU Unmatched
81
“U7” 4–Way Valve Switch-Over Error
81
“P0” Driver Reset Protection
82
“P5” Over-Current Protection
82
“P6” Master Control and Driver Communication Error
83
“P7” Driver Module Sensor Error
84
“P8” Driver Module High Temperature Protection
85
“PA” AC Current Protection
85
“Pc” Driver Current Error
86
“Pd” Sensor Connection Protection
87
“PL” Bus Low-Voltage Protection
88
“PH” Bus High-Voltage Protection
88
“PU” Charge Loop Error
89
“Ee” Drive Memory Chip Error
90
“C4” ODU Jumper Cap Error
90
“EL” Emergency Stop (Fire Alarm)
91
Failures Not Caused by Errors
92
Maintenance
94
System Diagram
94
Connection Pipe Vacuum Pumping
94
Refrigerant Charging
95
Pre-Charging
95
Maintenance of Major Components
97
Replacement of Wired Controller
97
How to Replace the Compressor
97
Diagnosis of Compressor Failure
97
Inverter Compressor QXF-A102Ze170B
98
Inverter Compressor QXF-B141Zf030F
98
Inverter Compressor QXFS-D25Zx090H
98
Inverter Compressor QXFS-D32Zx090D
98
Inverter Compressor QXFS-D32Zx090C
99
Inverter Compressor QXFS-F428Zx450E
99
Inverter Compressor QXFS-F428Zx450I
99
Electronic Expansion Valve
100
4-Way Valve
100
Labels on the 4-Way Valve
101
Replacement of Compressor
102
Prepare the Components for Replacement
102
Prepare Relevant Tools
104
Disconnect Power
104
Discharge Refrigerant
104
Detach the Compressor
104
How to Check Oil Quality
105
Check the Components
105
Clear the Pipeline
106
Replace the Compressor
106
Check the System for Leaks
106
How to Replace the Drive Module of Compressor
107
Removal of Major Components
108
Removal of ODU Major Components
108
Removal of Front Panel
121
Removal of Compressor/Gas Liquid Separator
122
Removal of 4-Way Valve
124
Removal of Fan and Motor
126
Removal of Condenser
127
Removal of Electronic Expansion Valve
129
Removal of Gas Liquid Separator
139
Removal of IDU Major Components
143
Cassette Type Unit
143
Duct Type Unit
147
Removal of Air Return Filter
148
Removal of the Cover of Electric Box and the Electric Box
148
Removal of Water Tray
149
Removal of Evaporator
149
Floor Ceiling Unit
150
Removal of Front Grill
150
Remove the Right and Left Decorative Boards
150
Removal of Electric Box Assembly
150
Removal of Air Guide Louver
151
Removal of Display Panel and Fan Assembly
151
Removal of Fan Motor
153
Explosive View and Lists of Parts
155
ODU Explosive View and Lists of Parts
155
Appendices
215
Resistance/Temperature Lists of Temperature Sensors
215
Temperature/Pressure List of Refrigerant
222
Refrigerant Notice/Concentration
222
Operation Tools
223
Other manuals for Gree GUD85W/NhA-T
Service Manual
195 pages
Owner's Manual
78 pages
Related product manuals
Gree GUD71T/A-T
71 pages
Gree GUD71P/A-T
78 pages
Gree GUD35ZD/A-T
66 pages
Gree GUD36W/A-DU
40 pages
Gree GUD125T/A-T
71 pages
Gree GUD50PS/A-T
78 pages
Gree GUD71ZD/A-T
66 pages
Gree GUD35PS/A-T
78 pages
Gree GUD140T/A-T
71 pages
Gree GUD160ZD/A-T
66 pages
Gree GUD50W/NhA-T
224 pages
Gree GUD140ZD/A-T
66 pages