EasyManua.ls Logo

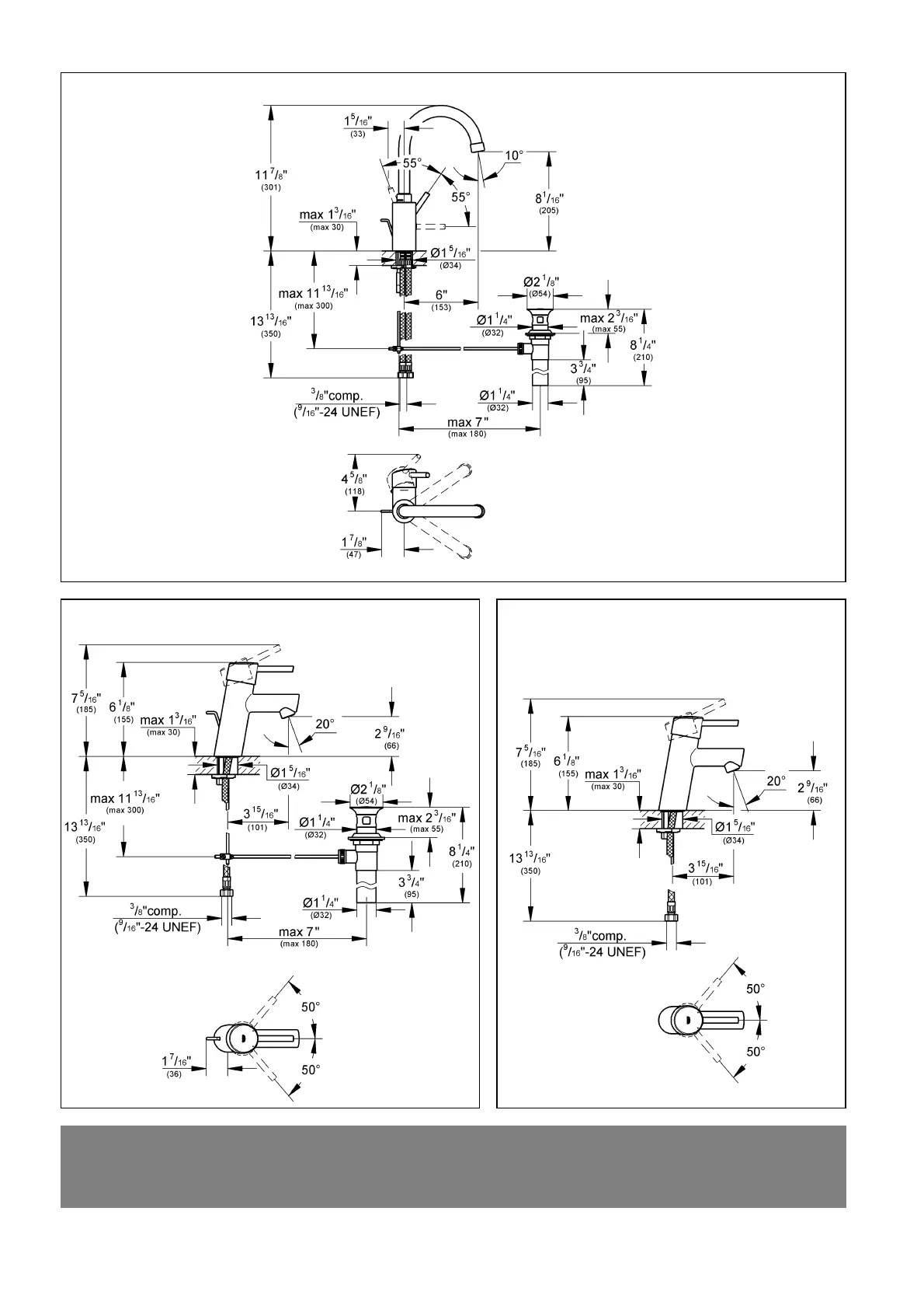
Grohe 32 138 - Technical Specifications and Dimensions; Dimensions for Model 32 138; Dimensions for Models 34 270 & 34 271

Grohe 32 138
8 pages
Print Icon
To Next Page IconTo Next Page
To Next Page IconTo Next Page
To Previous Page IconTo Previous Page
To Previous Page IconTo Previous Page
Loading...
I
S.v.p remettre cette instruction à l'utilisateur de la robinetterie!
Entregue estas instrucciones al usario final de la grifería!
Please pass these instructions on to the end user of the fitting!
32 138
34 270 34 271

Related product manuals