EasyManua.ls Logo

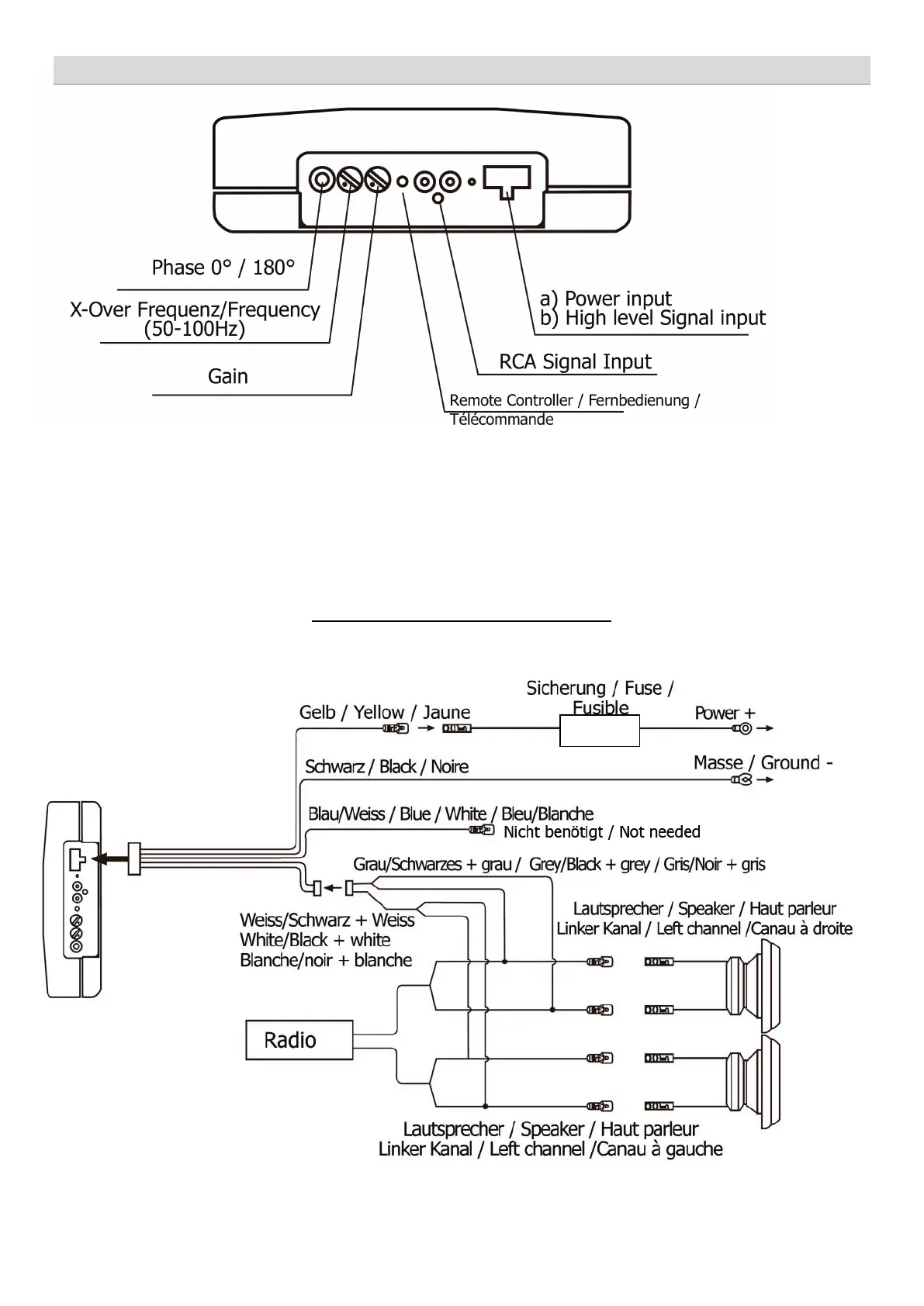
Ground Zero GZTB 20ACT - Settings and Inputs; Power and High Level Input; RCA Signal Input and Remote; High Level Input Wiring

Ground Zero GZTB 20ACT
5 pages
Print Icon
To Next Page IconTo Next Page
To Next Page IconTo Next Page
To Previous Page IconTo Previous Page
To Previous Page IconTo Previous Page
Loading...
Einstellungen / Adjustments
Achtung:
Verwenden Sie entweder den RCA- oder den High Level Input. Nutzen Sie nie beide Eingänge gleichzeitig!
Note:
Use either RCA line level or speaker level inputs. Do not connect both at the same time!
High Level Input Anschluss / Connection

Related product manuals