EasyManua.ls Logo

Grundig Sonoclock 30 - Page 2

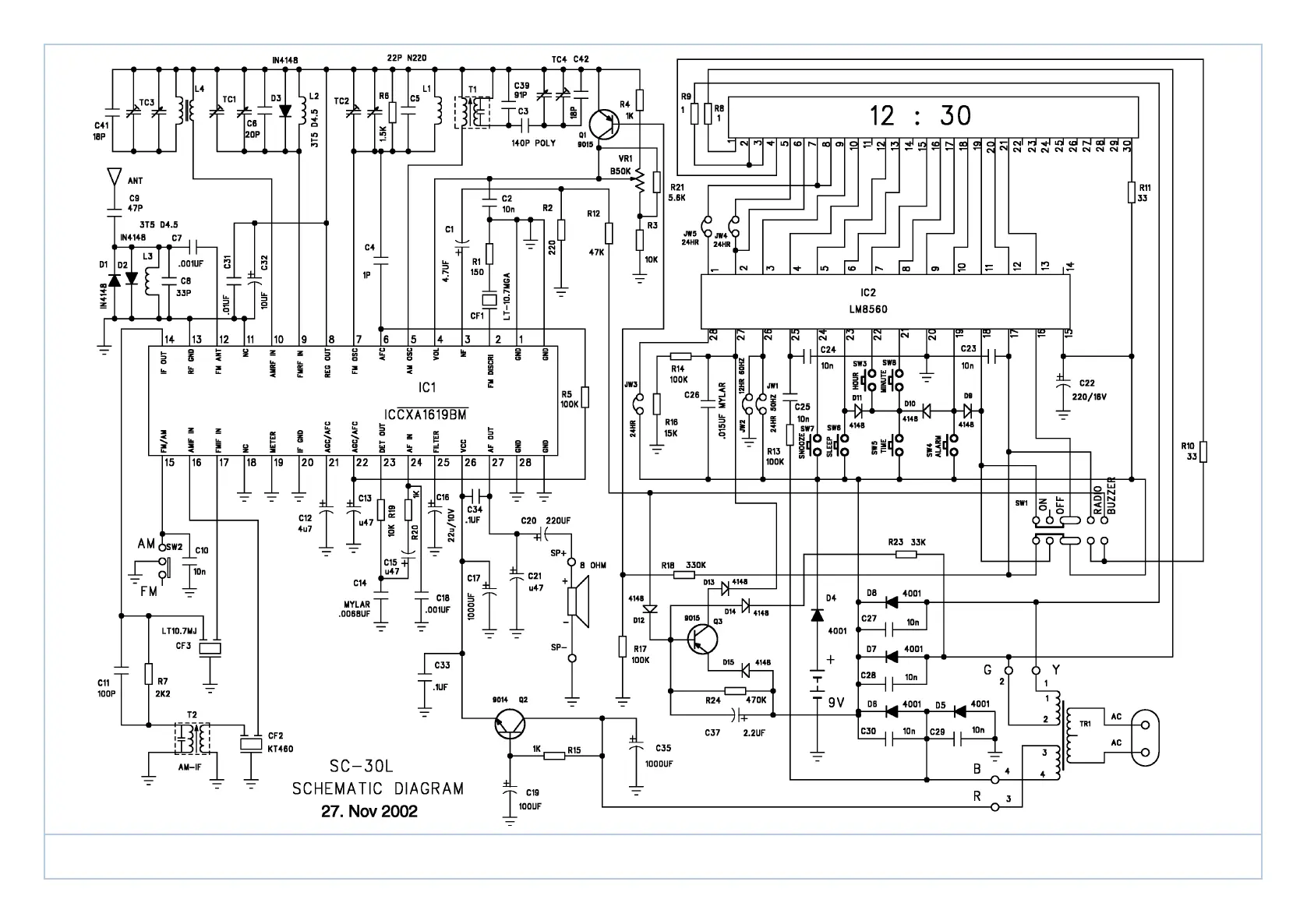
Grundig Sonoclock 30
8 pages
Print Icon
To Next Page IconTo Next Page
To Next Page IconTo Next Page
To Previous Page IconTo Previous Page
To Previous Page IconTo Previous Page
Loading...
Sonoclock 30 SC 3340 LW
ǵ

Related product manuals