EasyManua.ls Logo

Hagerman VALVE - Page 4

Default Icon
4 pages
Print Icon
To Previous Page IconTo Previous Page
To Previous Page IconTo Previous Page
Loading...
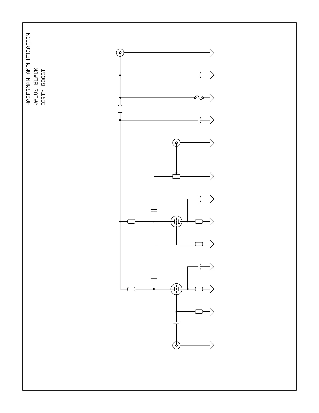
V1A
12AU7
R1
100k
R2
10k
C7
100uF
R3
100k
V1B
12AU7
R5
10k
R6
100k
C3
10nF
C2
10uF
R7
100k
C5
100nF
H1
R4
100k
J1
J3
J2C1
100nF
C6
100uF
R8
10k
C4
10uF
LEVEL
6
7
8 3
2
1
9V
+20dB
135mA
4
5
COPYRIGHT 2021 HAGAMPS.COM
50mV
100Hz-20kHz
250mA INRUSH CURRENT
7V0
0V2