EasyManua.ls Logo

Haier 3U55S2SR2FA - Page 217

Haier 3U55S2SR2FA
257 pages
Print Icon
To Next Page IconTo Next Page
To Next Page IconTo Next Page
To Previous Page IconTo Previous Page
To Previous Page IconTo Previous Page
Loading...
214
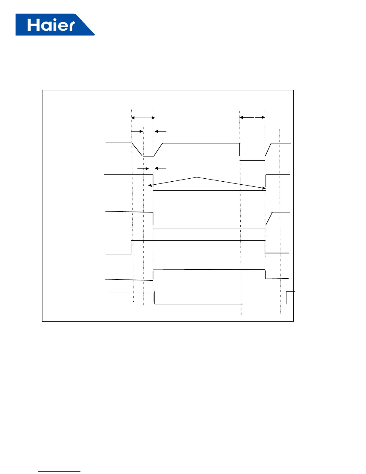
Beginning End
60s 60s
Inverter compressor
30s
Indicated FQY Defrosting FQY 85 HzE Soft startup
50HZ
32HZ
10s
Outdoor fan motor ON Send signal to indoor unit Auto
OFF
4-way valve ON
OFF
ON
Unload valve SV1 OFF Auto
250pulseE
PMV auto open angle Auto open angle
Indoor fan motor ON
OFF Anti-cold air function
Unitary
2.3.7 Defrosting operation ow chart:

Other manuals for Haier 3U55S2SR2FA

Related product manuals