EasyManua.ls Logo

Haier 3U70S2SR2FA - Page 225

Haier 3U70S2SR2FA
257 pages
Print Icon
To Next Page IconTo Next Page
To Next Page IconTo Next Page
To Previous Page IconTo Previous Page
To Previous Page IconTo Previous Page
Loading...
222
After oil return in cooling mode, the quit condition of refrigerant eliminated:
1 minute later after oil return is over
Td Tc 30°C
OR OR Ts Tc2AVE 30°C
Tc2AVE 35 °C
Max. 10 minutes
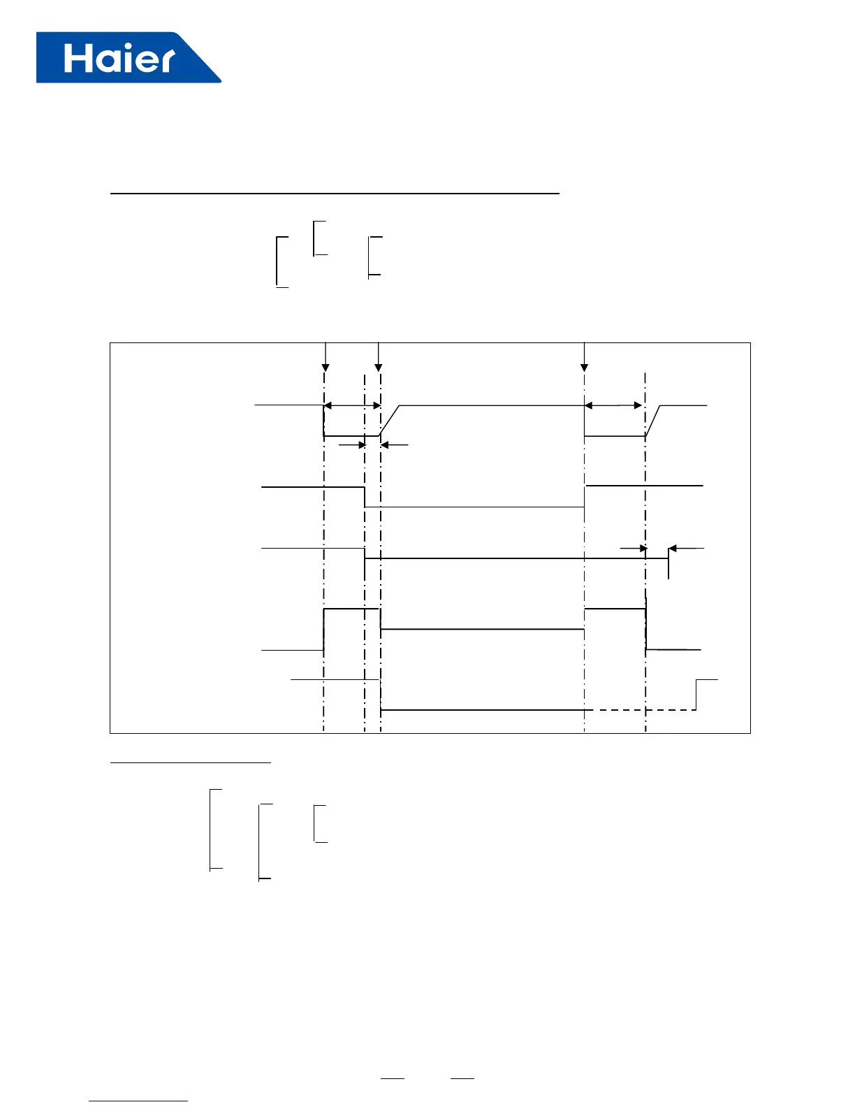
Oil return procedure in heating mode:
Quit condition of oil return:
Send oil return signal oil return begins oil return over
Inverter compressor indicated FQCY 60s oil return FQCY 60s soft startup
0HZ 0HZ
5s
Outdoor motor AUTO AUTO
AUTO (TC control)
4-way valve ON
OFF 15s
450pulse 450pulse
350pulse(E)
All expansion valves auto angle auto angle
All indoors ON
OFF anti-freezed startup
Max. 9 minutes (E)
OR OR Td Tc20°C for 30s continuously(5 minutes later, begin
to count)
Ts Tc2AVE 15°C for 30s continuously(5 minutes later,
begin to count)
Running for min. 5 minutes(E)

Other manuals for Haier 3U70S2SR2FA

Related product manuals