EasyManua.ls Logo

Haier AS24TD2HRA - Page 47

Haier AS24TD2HRA
64 pages
To Next Page IconTo Next Page
To Next Page IconTo Next Page
To Previous Page IconTo Previous Page
To Previous Page IconTo Previous Page
Loading...
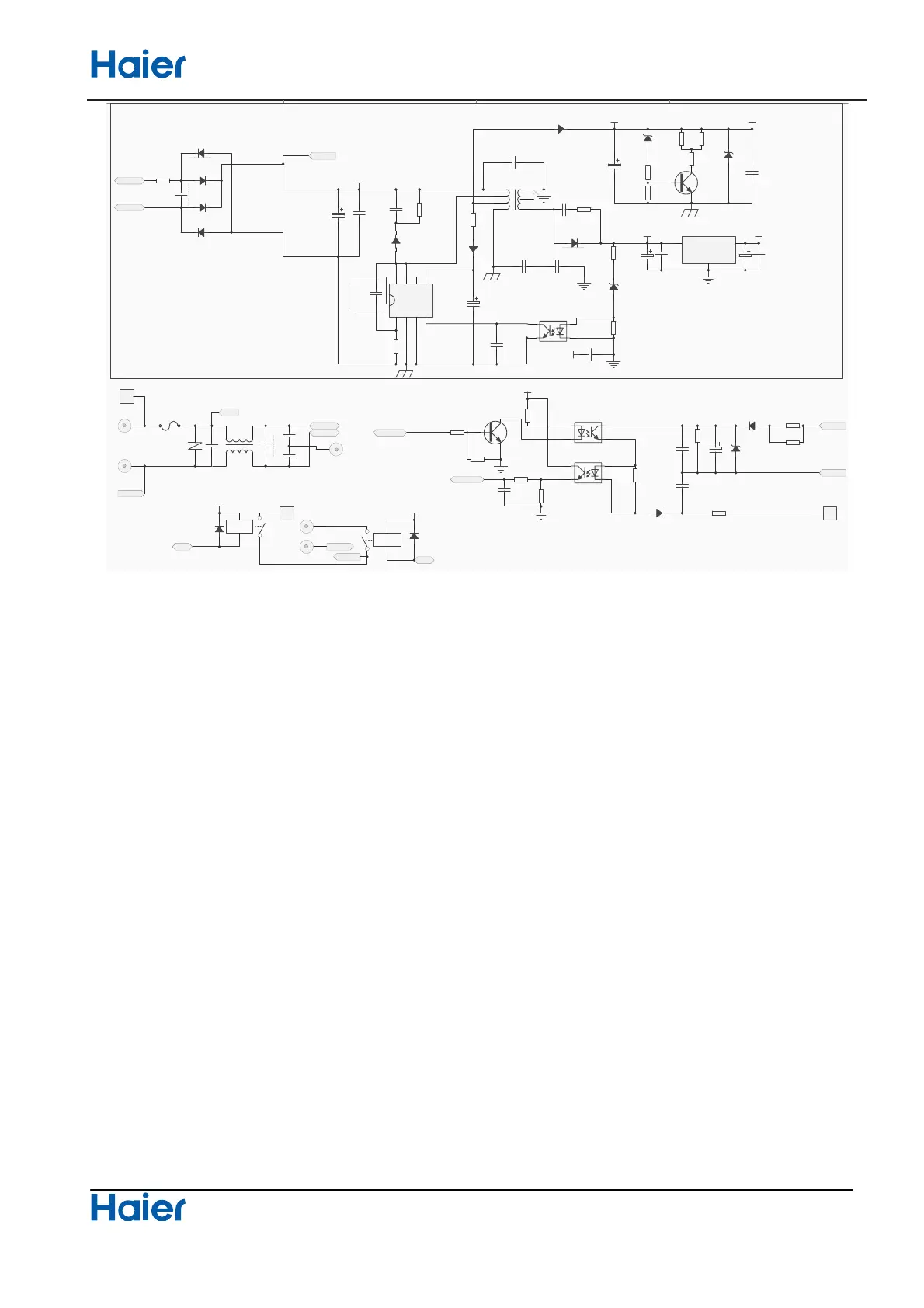
Wiring diagrams
45 Domestic air conditioner
C8
100n F-5 0V
R22
2K -1/ 4W
R26
2K-2W
R12
100K -1/4 W
E4
100uF-50V-105
ć
CY3
2. 2nF-2 50VAC
220V _L
⭥ⓀN
R14
47K-3 W
R15 47K-3W
COMM
22 0V _L
FUSE1
T3.15A-250VAC
1
CN22
1
1
2
4
3
2
4
3
LX 1
LB2 271(32 mH-0.3 5A)
L
~220VAC
CY4
2.2nF-250VAC
CY5
2.2nF-250VAC
1
CN27
1
CN21
RV1
TVR1 4561*
CX1
470n F-2 75 VAC
1
&1
⭥ⓀN
+15V
9/
&;
0.1uF-275VAC
91
220V AC~/ 50HZ
310V
R13
330ȍ
R20 1K
R19
10K
C9
1nF
+5V
COMM_RX
COMM_TX
COMM_TX
COMM_RX
5
.
5
.
220-L
220-N
220-L
220-N
1
CN17
250
N5
SS805 0LT1H
D6
1N 53 99
D7
1N 53 99
D8
1N53 99
D9 1N 5399
D1 1
1N40 07
D12
1N 40 07
ZD4
1N 47 46A(18 V-1W)
IC4
TL P851 /PC8 51
IC6
TLP421
3 4
2 1
K2
892N-1A C-C
1
CO N 3
1
CO N 2
+12V
220V _L
⭥ⓀN
3 4
2 1
K4
892N-1A C-C
+12V
1
CON1
D1 4
RLS4148
D4
RLS4148
FLZ
VS
HX F1
E7
100u F-45 0V-10 5ć
C010
10 2-5 0V
1
6
2
3
54
7
T1
BCK-6-F E1 901H
S
1
BR
2
GND
3
FB
4
VCC
5
NC
6
D/ST
7
D/ST
8
IC9
A6 05 9H
E8
22uF-50 V-10 5
ć
C23
103-630VDC
C009
102-1000 V
⬧⡷
E204
1000 uF-25 V-10 5
ć
E9
47 uF-50 V-10 5
ć
+15V
C002
104-6 30 VDC
+310V
R206
270ȍ-2W
R004
2. 2K-0 603
R205
560ȍ-0805
R161
1. 5ȍ-1/2W
R77
10ȍ-1206
R80
1. 5K- 0 603
C013
2. 2n F-2 50VAC
R203
100ȍ-1206
R202
100ȍ-1206
+12V
C7
0. 1uF
CY2
2. 2nF-2 50VAC
CY1
2. 2nF-2 50VAC
+15V
CY6
4. 7nF-2 50VAC
1
1
2
2
4
4
3
3
IC10
TL P421
R78
47K-2 W
D206
FR106 (1A-600 V-50 0ns )
D20
FR10 6(1 A-600 V-500 ns)
D19
US1M( 1A-1000V-75ns
˅
N001
KTC8050
D8
ER302(3A-200V-50ns)
ZD 00 1
1N47 46 A(18 V-1W ˅
ZD 20 2
1N47 42 A(12 V-1W)
ZD 00 3
1N47 42A(12 V-1W)
+5V
H-2 5*15HS1
R019
47ȍ-1/2W
&
X)
&
0.1uF
(
470uF-16V
INPUT
1
GND
2
OU TPUT
3
IC5
L7805CV
˄1.5A-5V˅
15 V- 100 mA
12 V- 900 mA
C004
10pF-1K V
R209
100ȍ
17&
SCK084R72
CX2
100n F-2 75 VAC

Related product manuals