EasyManua.ls Logo

Hammond 340107 - Page 32

Hammond 340107
111 pages
Print Icon
To Next Page IconTo Next Page
To Next Page IconTo Next Page
To Previous Page IconTo Previous Page
To Previous Page IconTo Previous Page
Loading...
r
--
- - - - - - -
--
- - - -
---
--
--i
.. 2
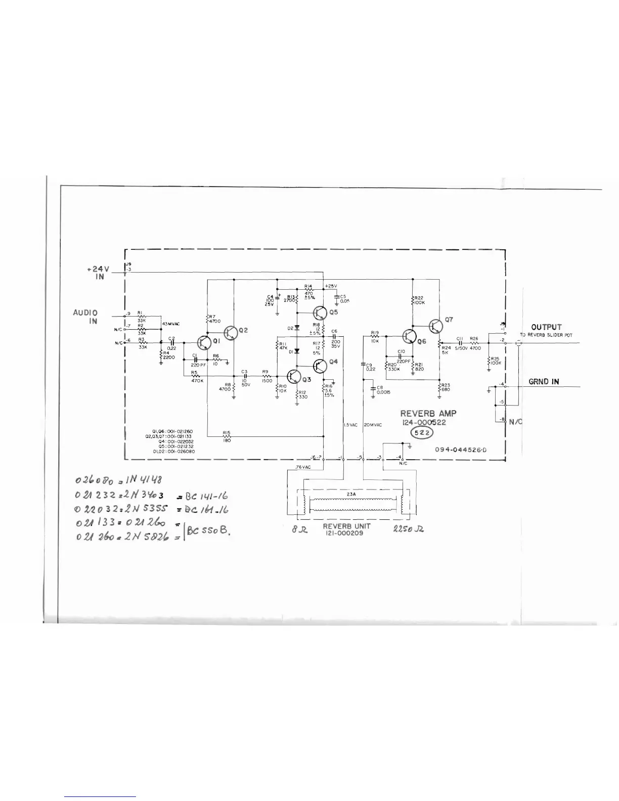
4V
~:
I
IN
I
I
RI4
+25
V J
C4 + RI3
1
~q4
r
C5
R22
100
I
2700
O.
O~
lOOK
I
25V
~
AUDIO . 9 RI
~
Q5 I
IN
33K
~
~
~
~
L R2
N/
C <>-
----'V'oI
OUTPUT
Q2
02
C6 -I
.
I
33K
-+_
"=":
---'-
t-
-;
~
~
R3
10K
2
00
N
/C~
---------¥.
RII
RI7
35 V
I
33K
47 K
12
01
5%
10220 PF I
I
C9
0.22
C3
R9
R5
I
47
0K
10 15
00
R8
50
V
R1
6-
f
RIO
C8
47 0 0
10K 5.6
RI2
I
1
330
±s%
I
REVERB
AM
P
124 -00
00
22
20 MVAC
1.5VAC
0 1,
06
:
00
1- 02 12
60
RI5
02.03,07
: 0 0 1- 02 1133
@
,
04
:
00
1
-0
2
20
32 1
80
l
05
: 001-
02
1232
0 1,02 : 001- 02
60
80
_____________
_ _
___
___
J
L?
_ __16_ -
56
_ -
3
1
-
J
~
_o
~
o
~
~
J
N/ C
.76 VAC
()2(,fJ!lo
:l
IN
1./11.18
l
o
2A
z3
<.
z2
II
3
t.Ic
3
.::
Be
/L/
I-Ib
I
t
=':::
:
:=::
==:::
:
:::
=
:j
o U 0 3
2
~2)./
S3SS
:: i)
c.llr
f-Ib
ou 133 =
o:U2&
~
I
REVERB UNIT
8.R.
P'2t;;o
J).
121-000209
o
2J
260. 2
II
'S
s2(,
:::
Be
Ss
o
B.
TO REVERB SLiOER
POT
GR
ND
IN
NIC
I
-2
-5
d
R25 I
~
I
O O
K
)
.f
CI I R26
R24 5/ 50V 470 0
5K
R2 3
6
80
CIO
R202.20 PF 5R21
3 30 K
? 82 0
0.0015

Related product manuals