EasyManua.ls Logo

Hammond 340107 - Control Panel Mixer PWB Schematic

Hammond 340107
111 pages
Print Icon
To Next Page IconTo Next Page
To Next Page IconTo Next Page
To Previous Page IconTo Previous Page
To Previous Page IconTo Previous Page
Loading...
,
J
" "-
11
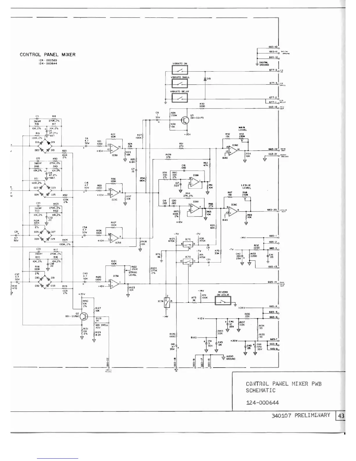
CONTROL PANEL MIXER
66
1
2
'24 -
OOO~9
1
24
- OC>0644
: =:., I
611
-
5_
, -,
01>
,
r"
..
.
I
677-3
~
I
.
VIBRATO
lA
T
m-
6 71
-'
0 1." "
R'lO
"""
~
· '
6
' .e
665
-
22·
_ ••
+>0 V
..
I
I
rtY
l~
BIAS
=-=<>00'
ce
,
H29
2200<
C> sre 0'
O()J
-0
21In
'"
'>I(
H2.
""
,.
LEVU
. 20 V
CO
'OOK
'.7
H
,7
H"
50V
;000
OZ,
"3 '
I
~
2"" 2"
,
..::..::..::...
0'"
VV'r---->
H' 09
'001<
~
.
"
...
'W I
~
_
.
,
""
CI'
H50
RZQ
~=l
-
-
O
~
""
0
2?
,""
..
R48
-w..-
1
0-<:
.2".
""
-H - - -
68";:
""
..
,
,,.
07
15
....
,..
..,.
""
lOOK
C
oO
R"
.,
'.
1~
~~
~
~
,1:-
.022
I I I
0"
.
..
OZK
.,.
,roo<
-<,
.
~
''''''''
.,
.
""""'NY-
~
,
2~
H'
Z-
'
''''
A~
0'.
0"
7
V
R52 T
t
OOO<
...
c"
RlO3
'
RIO
''''
'
'''
~
"
'0
0'
'"
2...
0>'
020
---<
~
+-
!--..('
' .7
02.
50.
,2"'r.
C39
'
Rll"
''''
'''
C37 I
f
..,
0"
I
0 33
1(11(, 2 ")"
I 2
ex.
I
'+
'lO y
~
. I
'"
<10
: j
,
""
+ZOv
OOI-
t21~
A
I
~
1
DO<
.
...
%'
ooo
+I OV
66~
-ZO
...:.-:....::.-
l l
~
V
L ;
(
I
- 7V
H7U L
''''
RIZI
'000<
HI22
lOOK
STR
"'"
LEv EL
6
G~
·I
'"
...
t. "
..
,
RI23
10K
- 14 "
~
.
..
.
RI2 7
~
.
665-5
'
''''
;-F;
sss-e
+ 12 \1
~
:'
:
>
~W
I
.,.
~f
t
~
~~
..
BIAS
"'ZOV 1
bti:)-,
a
"l
~
l.C45
;"i!lJ'
~
~
f'
I -;- .
..
!! "
fJDC-
=.
~
i
N
______
~
~
.
---
-
i
_i _i _
nU
I O
f't O.l. l
C
ON
TROL
PA
NEL
MIXER
PWB
SC
HENATIC
124-000644
340107
PR
E
L
I
MI
~
A
RY
14

Related product manuals