EasyManua.ls Logo

Handicare 2000 SIMPLICITY - Page 111

Handicare 2000 SIMPLICITY
364 pages
Print Icon
To Next Page IconTo Next Page
To Next Page IconTo Next Page
To Previous Page IconTo Previous Page
To Previous Page IconTo Previous Page
Loading...
RICHTING
(ALLEEN BIJ ELEKTRISCH
AANGEDREVEN MOGELIJKHEDEN)
MOTOR
BATTERIJ-
ISOLATIE
REMMEN
OPLADEN
DIAGNOSTISCHE
WEERGAVE
INVOERVOLTAGE VAN 33V POSITIEF
SNELHEIDSSCHAKELAARS
VOOR INTERNE BOCHTEN
9-WEGCONNECTOR
8-WEGCONNECTOR
5A
(ZIE AFZONDERLIJK DOCUMENT
VOOR AANSLUITINGEN)
IR/RF
SENSOR 1
IR/RF
SENSOR 2
SCHARNIERVEILIGHEIDS-
SCHAKELAAR
SW17
3-WEGVERBINDING
ROOD
ROOD
ZWART
GEEL
ROOD
ZWART
GEEL
OMLAAG
WIT
CON-1
CON-1
CON-1
CON-1
CON-1
CON-1
CON-2
CON-2
CON-2
CON-2
CON-2
CON-2
CON-2
1
1
IR 1
IR 2
SCHARNIERVEILIGHEID I/P
DIAG
OPLADEN
REMMEN
BK1
BK2
2
1
2
3
1
2
3
2
3
4
5
6
7
8
1
1 1
2
1
3
4
5
6
2
1
3
4
5
6
4
3
2
1
2
3
4
5
6
7
8
9
1
1
1
BLAUWAAN/UIT ALGEMEEN
BRUIN
OMHOOG
GEELVEILIGE-RAND OMLAAG
GRIJSVEILIGE-RAND ALGEMEEN
E-STOP & SLEUTELDETECTIE ROZE
VIOLETVEILIGE-RAND OMHOOG
ORANJE
ORANJE
BATT
BK
BK
+
+
+
+
+
-
-
-
-
-
BATT
BATT
BATT
ZWART
ZWART
ZWART
M+
M-
WIT
ROOD
BATT
BATT
BATT
MOTOR
M2
M1
MOTOR
BLAUWE
MARKERING
BLAUWE
MARKERING
GELE
MARKERING
GEEL
GEEL
BRUIN
ROZE
GROEN
ROZE
SLAG
SLAG
ORANJE
ORANJE
ORANJE
VIOLET
GRIJS
BRUINE LUS
6
5
4
3
2
1
2
1
2
1
1
2
2
1
2
1
1
1
1
1 1111 111
1
2
1
6
5
4
3
2
1
VIOLET
GRIJS
BRUIN
ROOD
ROOD
ROOD
GELE
MARKERING
RODE
MARKERING
RODE
MARKERING
ORANJE
OMLAAG-LIMIET
OMLAAG-LIMIET
GEEL
OMHOOG-LIMIET
OMHOOG-LIMIET
GEEL
WIT
ROZE
WIT
OOGKABEL
OOGKABEL
OOGKABEL
UITEINDELIJKE LIMIET
SCHARNIER
MET ZEKERING
AV-UITVOER +
AV-UITVOER -
ZWRT/WIT-STREEP
SW 0V
SCHARNIERGEGEVENS
GRIJS
24VDC
ROOD
1
2
3
M
F
M
F
OOGKABEL
M
F
F
M
F
M
M
F
M
F
F
SW16
OSG
SW2
HANDM
OPWINDEN
OMHOOG-SPOOR
ONDERDRUKKEN
OMLAAG-SPOOR
ONDERDRUKKEN
OSG
SW1
SW9
SW5
SW6
SW4
SW7
SW8
SW1
RAND 1 VAN
ONDERKANT
VAN CHASSIS
RAND 2 VAN
ONDERKANT
VAN CHASSIS
SW2
SW3
SW10
OMLAAG TRUN-LIMIETEN
OMHOOG TRUN-LIMIETEN
VEILIGE RAND VAN
ONDERKANT VAN VOETRUST
VOETRUST OMLAAG-RAND
VOETRUST OMHOOG-RAND
ALGEMEEN
UITEINDELIJKE
LIMIET
(ALLEEN
SCHARNIERSPOOR)
CONTACT VOOR COMMS-GEGEVENS
VAN SCHARNIERSPOOR
AANSLUITING MET ELEKTRISCHE
DRAAIGEGEVENS
iSAFETY
INSCHAKELEN
SCHUIF INSCHAKELEN
CSA INSCHAKELEN
SCHARNIER
INSCHAKELEN
RECHTERHAND
SNELLE HELLING
SCHUIF UITSCHAKELEN
iSAFETY
UITSCHAKELEN
CSA UITGESCHAKELD
ZOEMER UIT ZOEMER AAN
LINKERHAND
SCHARNIER
UITSCHAKELEN
LANGZAME HELLING
STANDAARD UIT
DIP 1
DIP 2
1
AAN
2 3 4 1
AAN
2 3 4
M F
INDRUKCONNECTOR
= MULTI-PINS CONNECTOR
ALLE VEILIGHEIDSCIRCUITS MOETEN
NORMAAL ZIJN GESLOTEN
FUNCTIE VAN DIP-SCHAKELAARS
OP HAN125 PCB
SLEUTEL:
DETECTIE
VAN E-STOP
NEGATIEF OPLADEN DOOR CHASSIS
1A
25A
4
3
2
1
SW12
SW11
SW13
SW14
SW15
2
1
INSTALLATIEHANDLEIDING VOOR DE HANDICARE 2000 SIMPLICITY / STYLE 111
NEDERLANDS
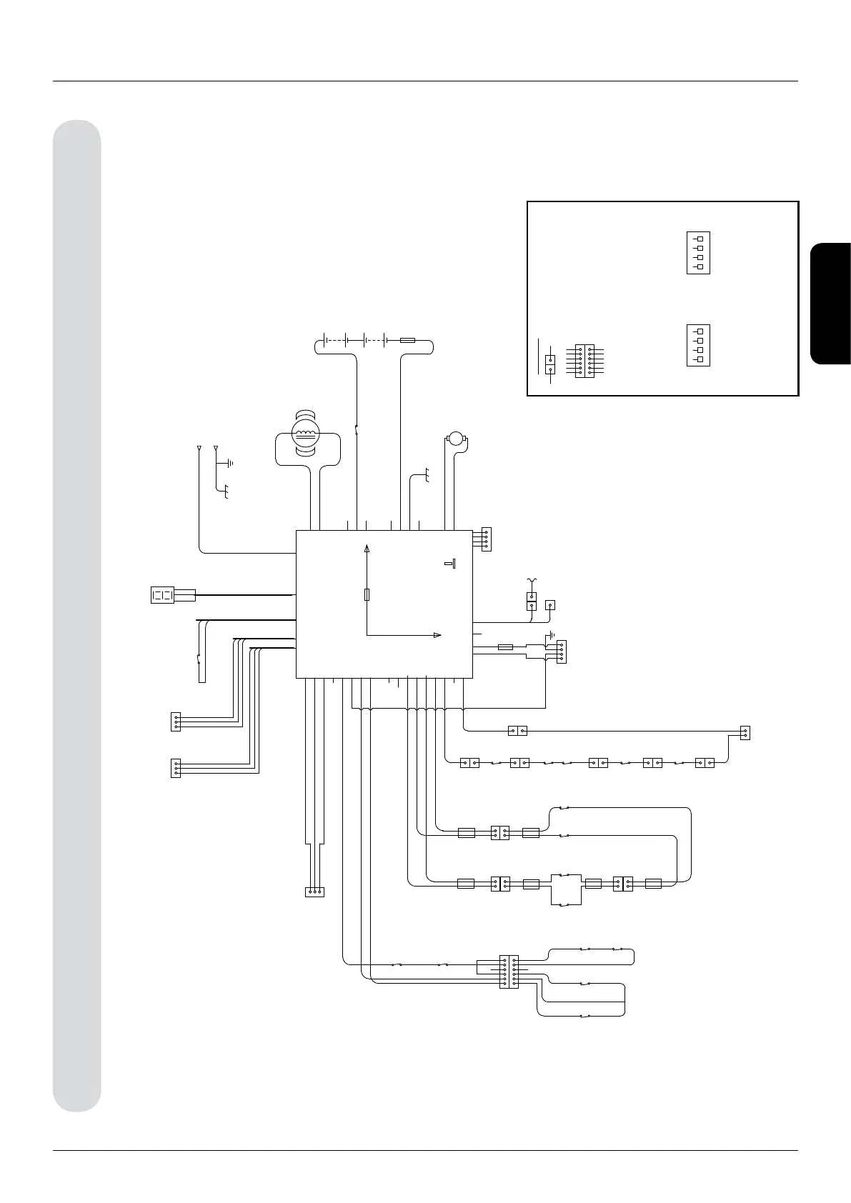
Bijlage 3
2000 Simplicity / Style blokschema rechtshandige lift – HAN125

Related product manuals