EasyManua.ls Logo

Handicare 2000 SIMPLICITY - Page 171

Handicare 2000 SIMPLICITY
364 pages
Print Icon
To Next Page IconTo Next Page
To Next Page IconTo Next Page
To Previous Page IconTo Previous Page
To Previous Page IconTo Previous Page
Loading...
DEUTSCH
RICHTUNG
(NUR ANGETRIEBENE OPTIONEN)
MOTOR
BATTERIE
TRENNSCHALTER
BREMSE
AUFLADEN
DIAGNOSEANZEIGE
33V AUFLADEN POSITIV EINGANGSSPANNUNG
INNENKURVEN
GESCHWINDIGKEITSSCHALTER
9-WEG-ANSCHLUSS 8-WEG-ANSCHLUSS
5A
(SIEHE SEPARATES DOKUMENT
FÜR ANSCHLÜSSE)
IR/RF
SENSOR 1
IR/RF
SENSOR 2
SCHARNIER
SICHERHEITSSCHALTER
SCH17
3-WEG-ANSCHLUSS
ROT
ROT
SCHWARZ
GELB
ROT
SCHWARZ
GELB
RUNTER
WEISS
ANSCHL.-1
ANSCHL.-1
ANSCHL.-1
ANSCHL.-1
ANSCHL.-1
ANSCHL.-1
ANSCHL.-2
ANSCHL.-2
ANSCHL.-2
ANSCHL.-2
ANSCHL.-2
ANSCHL.-2
ANSCHL.-2
1
1
IR 1
IR 2
SCHARNIER-
SICHERHEITS-EINGANG
DIAG
AUFL.
BREMSE
BR1
BR2
2
1
2
3
1
2
3
2
3
4
5
6
7
8
1
1 1
2
1
3
4
5
6
2
1
3
4
5
6
4
3
2
1
2
3
4
5
6
7
8
9
1
1
1
BLAUHEBEL GEMEIN
BRAUN
HOCH
GELB
HOCH SICHERHEITSKANTE
GRAU
SICHERHEITSKANTE GEMEIN
NOT-AUS- & SCHLÜSSELERKENNUNG
ROSA
VIOLETT
RUNTER SICHERHEITSKANTE
ORANGE
ORANGE
BATT
BR
BR
+
+
+
+
+
-
-
-
-
-
BATT
BATT
BATT
SCHWARZ
SCHWARZ
WEISS
M+
M-
SCHWARZ
ROT
BATT
BATT
BATT
MOTOR
M2
M1
MOTOR
BLAU
TAG
BLAU
TAG
GELB
TAG
GELB
GELB
BRAUN
ROSA
GRÜN
ROSA
RUNDSTECKER
RUNDSTECKER
ORANGE
ORANGE
ORANGE
VIOLETT
GRAU
BRAUNER
KABELBAUM
6
5
4
3
2
1
2
1
2
1
1
2
2
1
2
1
1
1
1
1 1
1
1
1
1
1
1
1
2
1
6
5
4
3
2
1
VIOLETT
GRAU
BRAUN
ROT
ROT
ROT
GELB
TAG
ROT
TAG
ROT
TAG
ORANGE
RUNTER GRENZWERT
RUNTER GRENZWERT
GELB
HOCH GRENZWERT
HOCH GRENZWERT
GELB
WEISS
ROSA
WEISS
FLACHSTECKER
FLACHSTECKER FLACHSTECKER
ENDAUSSCHALTER
ABGESICHERTES
SCHARNIER
AV-AUSGANG +
AV-AUSGANG -
SCHWARZ-WEISS-
GESTREIFT
SW 0V
SCHARNIERDATEN
GRAU
24VDC
ROT
1
2
3
M
F
M
F
FLACHSTECKER
M
F
F
M
F
M
M
F
M
F
F
SCH16
OSG
SCH2
HANDKURBEL
SCHIENE OBEN
ÜBERFAHREN
SCHIENE UNTEN
ÜBERFAHREN
OSG
SCH1
SCH9
SCH5
SCH6
SCH4
SCH7
SCH8
SCH1
CHASSIS-
UNTERWANNENKANTE 1
CHASSIS-
UNTERWANNENKANTE 2
SCH2
SCH3
SCH10
GRENZEN UNTERER
STIRNZAPFEN
GRENZEN OBERER
STIRNZAPFEN
SICHERHEITSKANTE
FUSSAUFLAGE-UNTERWANNE
FUSSAUFLAGE RAUF KANTE
FUSSAUFLAGE RUNTER KANTE
GEMEINSAM
ENDAUSSCHALTER
(NUR SCHIENE
MIT SCHARNIER)
ANSCHLUSS SCHARNIER-
KOMMUNIKATIONSDATEN
DATENANSCHLUSS
ANGETRIEBENER DREHSITZ
iSAFETY AKTIVIERT
VERSCHIEBEN
AKTIVIERT
CSA AKTIVIERT
SCHARNIER
AKTIVIERT
RECHTS
SCHNELLES
HOCHLAUFEN
VERSCHIEBEN
DEAKTIVIERT
iSAFETY DEAKTIVIERT
CSA DEAKTIVIERT
WARNHUPE AUS WARNHUPE EIN
LINKS
SCHARNIER
DEAKTIVIERT
LANGSAMES
HOCHLAUFEN
VORGABE AUS
DIP 1
DIP 2
1
EIN
2 3 4 1
EIN
2 3 4
M F
STECKVERBINDUNG
= STIFTLEISTE
ALLE SICHERHEITSSCHALTKREISE MÜSSEN
NORMALERWEISE GESCHLOSSEN SEIN.
FUNKTION DER DIP-SCHALTER
AUF DER HAN125 PLATINE
SCHLÜSSEL:
NOT-AUS-
ERKENNUNG
AUFLADEN NEGATIV DURCH CHASSIS
1A
25A
4
3
2
1
SCH12
SCH11
SCH13
SCH14
SCH15
2
1
HANDICARE 2000 SIMPLICITY / STYLE INSTALLATIONSANLEITUNG 171
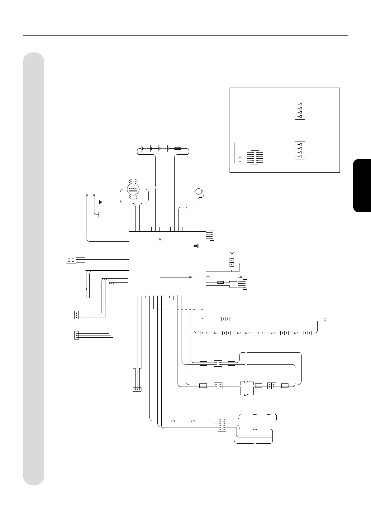
Anhang 3
HAN125 2000 Simplicity / Style blockschaltplan – rechtslift

Related product manuals