EasyManua.ls Logo

Harman Kardon AVR 7550HD - Page 140

Harman Kardon AVR 7550HD
186 pages
To Next Page IconTo Next Page
To Next Page IconTo Next Page
To Previous Page IconTo Previous Page
To Previous Page IconTo Previous Page
Loading...
25. PC17K1CTN (HDMI: IC2000, IC2001, DSP: IC4060)
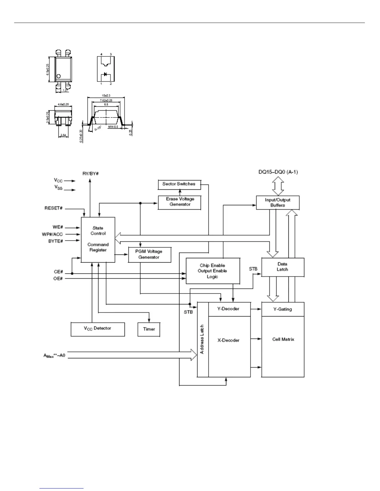
26. S29GL064N90TF1060 (ETHER IC5000)
AVR 7550HD harman/kardon
140

Other manuals for Harman Kardon AVR 7550HD

Related product manuals