EasyManua.ls Logo

Harrison M250 - Page 12

Harrison M250
79 pages
Print Icon
To Next Page IconTo Next Page
To Next Page IconTo Next Page
To Previous Page IconTo Previous Page
To Previous Page IconTo Previous Page
Loading...
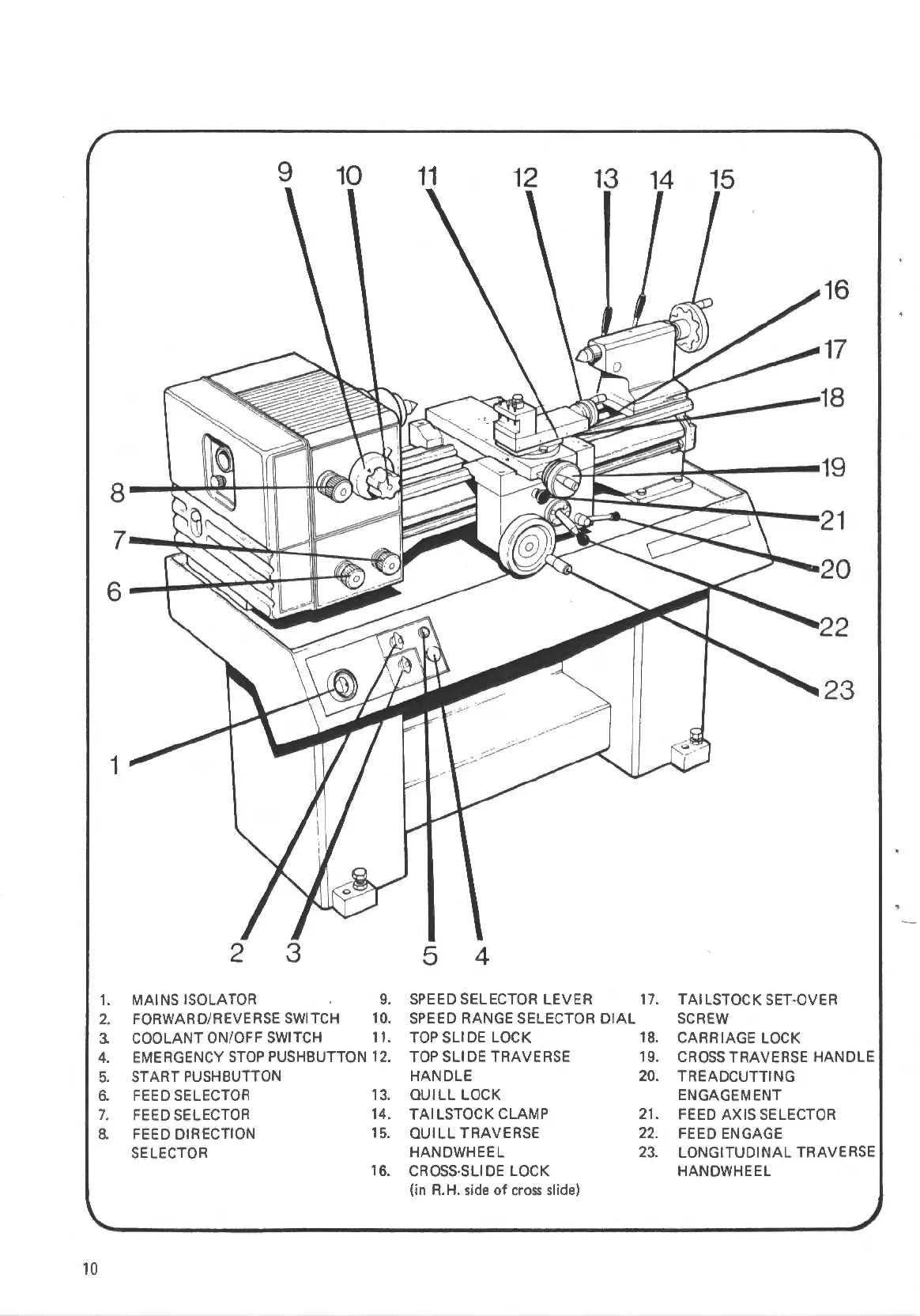
9
10
11
16
17
19
8
-~~-+---ttt--fi
Wfr
?~~~
~~~~
~
23
1
2 3
5
4
1.
MAINS
ISOLATOR
9. SPEED SELECTOR
LEVER
17.
TAILSTOCK
SET-OVER
2.
FORWARD/REVERSE SWITCH
10
. SPEED RANGE SELECTOR
DIAL
SCREW
3.
COOLANT
ON/OFF SWITCH
11
. TOP
SU
DE
LOCK
18
.
CARRIAGE
LOCK
4.
EMERGENCY
STOP
PUSH8UTTON 12. TOP
SLIDE
TRAVERSE
19.
CROSS
TRAVERSE
HANDLE
5.
ST
ART
PUSH
BUTTON
HANDLE
20.
TREADCUTTING
6. FEED SELECTOR
13.
QUILL
LOCK
ENGAGEMENT
7.
FEED SELECTOR
14.
TAILSTOCK
CLAMP 21.
FEED
AXIS
SELECTOR
a
FEED DIRECTION
15.
GUILL
TRAVERSE
22.
FEED ENGAGE
SELECTOR
HANDWHEEL
23.
LONGITUDINAL
TRAVERSE
16. CROSS-SU
DE
LOCK HANOWHEEL
(in
R.H. side
of
cross
slide)
10

Related product manuals