EasyManua.ls Logo

Harrison M250 - Page 32

Harrison M250
79 pages
Print Icon
To Next Page IconTo Next Page
To Next Page IconTo Next Page
To Previous Page IconTo Previous Page
To Previous Page IconTo Previous Page
Loading...
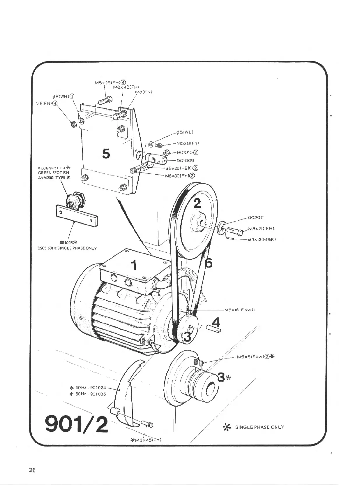
M8x25(FH)@
M8x40(FH)
9l8(WN)@
M8(FN)@
BLUE SPOT LH *
GREEN SPOT RH
AVM200
(TYPE
9)
901036*
0905
50Hz SINGLE PHASE
ONLY
5
* 50Hz
901024
:t
60Hz
901035
26
'
M8(Ft~)
',65(WL)
(~M5x8(FY)
901010@
.~
~
l
901009
d5x25(HBK)@
'"';,-
___
M6x30(
FY)@
*
SINGLE
PHASE
ONLY

Related product manuals