EasyManua.ls Logo

Harrison M250 - Page 59

Harrison M250
79 pages
Print Icon
To Next Page IconTo Next Page
To Next Page IconTo Next Page
To Previous Page IconTo Previous Page
To Previous Page IconTo Previous Page
Loading...
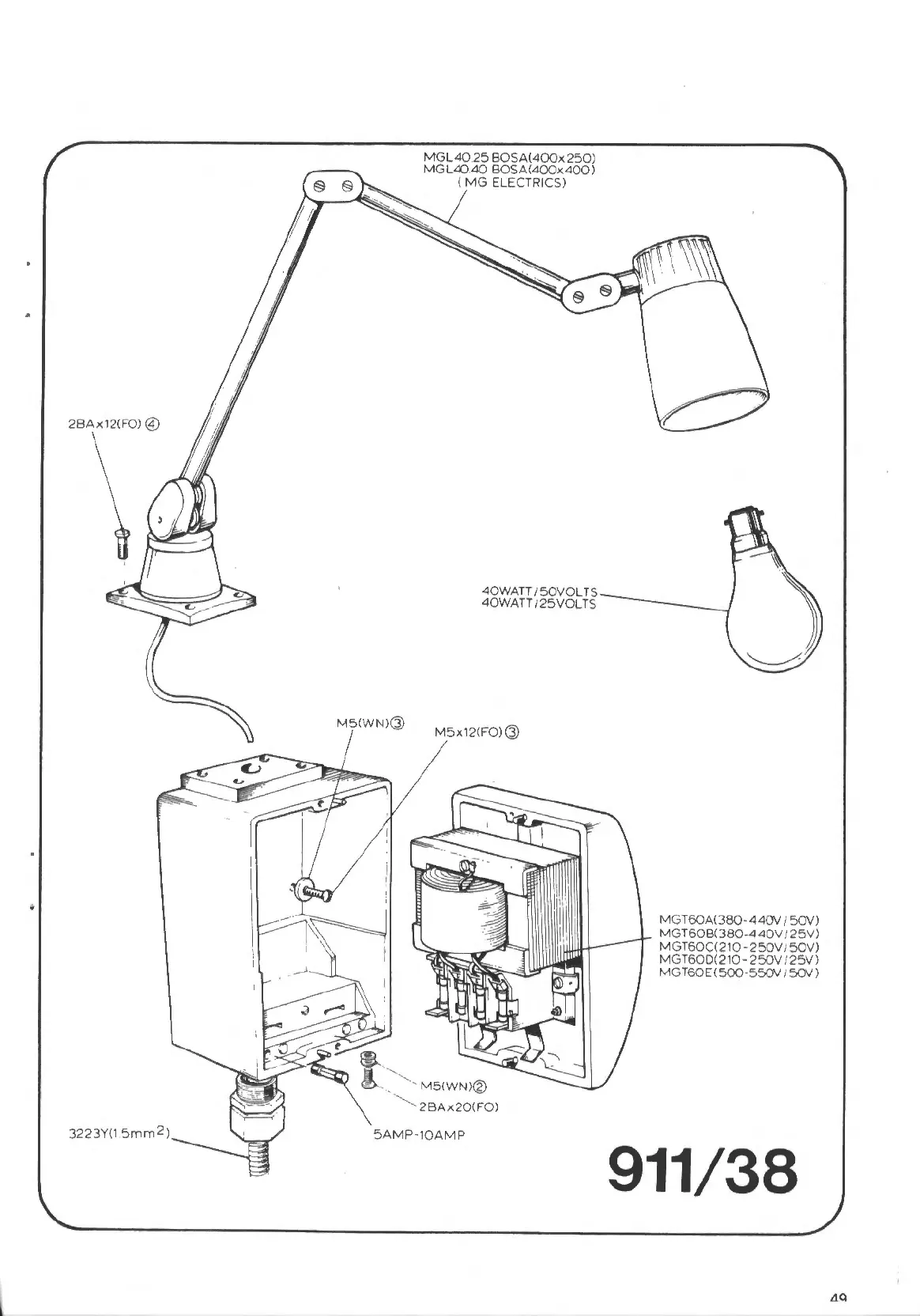
28Ax12(FOJ@
3223Y(1.5mm2)
M5(WN)Q)
MGL4025
80SA(400x250)
MGL40
.
40
80SA(400x400)
(
MG
ELECTRICS)
40WATT/50VOLTS
40WATT /25VOLTS
M5x12(FO)Q)
-.~ M5(WNJ(g)
'---...._
28Ax20(FO)
5AMP·10AMP
MGT60A(380
-
440V
/
50V)
MGT608(380
-
440V
I
25V)
MGT60C(210
·
250V/50V)
MGT60D(210-250V
/25V)
MGT60E(500-550V
/
50V)
911/38
40

Related product manuals