EasyManua.ls Logo

Harrison M250 - Page 75

Harrison M250
79 pages
Print Icon
To Next Page IconTo Next Page
To Next Page IconTo Next Page
To Previous Page IconTo Previous Page
To Previous Page IconTo Previous Page
Loading...
..
r----------
-k>
..
<>+-
-------'
~
~
}
j
~
~
§
a
J
!
,g
!
l:
h.
~
!
;
V)
C:
~
~
V)
)(:
~
'<>
"'
~
~
!
!
~
"'
"------<
i-<l",,~
-------------------------_J
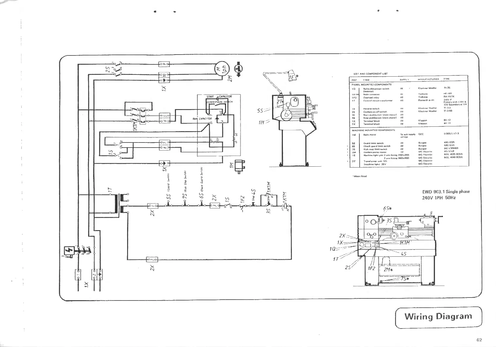
KEY
AHO
COM~EHT
LIST
AEf
ITlffA
PA.NEL
MQUfrfTll;C COMP()Nl=NTS
,o
IKll-1
IF2
"
..
M'lbt,;c,11gt;.1ar
A!1
o.-1-,;inby
A.It
Contra!
cirulj.t
1'Mt&ormtr
.....
~,whc:h
AM
Coolatil
OIi
r.rl
-'lc:h
All
S1••
llloa.._UClf'I lnvitl
-oil
All
6
1ap
~,-
~
...
.-~··
.....
TermlnalbloP-
AH
r.,...ir,.,;t,lc,,d,
Al
MACH
I
NE
M()UNTEO
COWONEHTS
~UFACTUflER
Kloc:I._.Moe
l «
v,--.
Y.1~-
R-tf\..-alt
.....
__
IOoc:kr.M<MI'-
T
owk~
Gf.C
...
_
.,
6S
"
,
..
"
2T
Ga,,f((llimlt-l1cll
~
~o,&al'dlimi1PMl:d\
All
Kic
lt
llQP
......
hoflKtl
AJI
Coa'ant
puffll:I
mDtoJ
All
~
lu/>I
~
2
.a.:m
lr
ni1111
1-'00•l$01
l..,..
lillin!I
f4llO••OOI
T•
.......
0.-n'ltt.,.._.
lDY
CtNdolne
~d
lSV
...
_
.......
...
_
MG_,,
...
MC
Eieo:trk.l
MGElccvia
MGE'-C;tiks
MGEIK.u-a
TVP<
Pl-25
Hf-l6S
RH-IO{JIC
,...,
,
,-~
...
i4Jit10V
&
12V
~
at
VA
TI.J-1:
n.J-SO
81U2
OK
12
O!il05JUl1.S
KIIS
EM
k.11$EOA
CUI
vl,4M6,$
AOl/lJE.
I.IG\...02$
IIOSA
MGL,40,,IOIOSA
E
WD
903.
1 Single phase
240V
l PH
50
Hz
2X
_~
1X
,a~-=
fT~
~
------ll-
~ ~ ~
'----~
~
25
'/
( Wiring Diagram J
62

Related product manuals