EasyManua.ls Logo

Harrison M250 - Page 79

Harrison M250
79 pages
Print Icon
To Previous Page IconTo Previous Page
To Previous Page IconTo Previous Page
Loading...
I
l -
J
1L
Q:
I-
~
L-----+o
"'
<>t--------
---
-------------...J
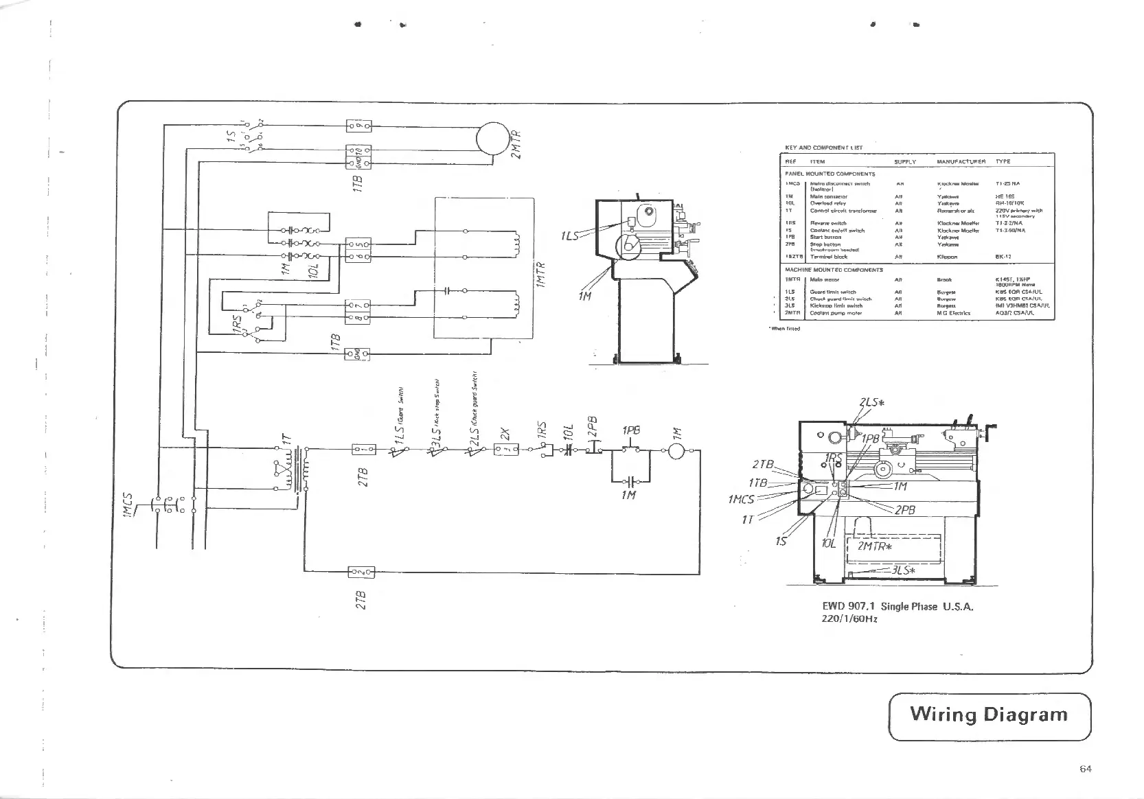
K EY AN'O
cotUON!H
1'
l.lST
...
UEM
SUf'1'l.Y
MAf<IUFACl\tRE
A
IJAtfEt..
MOUNT
£ 0
COMf>ON£NT$
,..,.
Mlrin1dl~M
I~
~IQck,-MMN.
(1-,illitor)
IM
~1.,ICOftQoelOI'
..
·-
IOl
,,_....,.....,
..
..
.....
IT
c:o,,a,.o
1
~omn111r_.
..
A~aral1
...
Rcv-""it.ch
..
K
lodtrw-~
~
Ool/off
_..td,
...
Kkx:
11.
,-
Mori~
,
..
Sta1
bt1t1011 ..
·-
,..
$40f'b.tt,;,,,
---
..
,
.......
ll!lt1T
l!I
T~
lff"M
b
lodt
..
-
MACHINE
MOUNfi!
D
COtM'QN
E
NTS
IMTR
Malnt11et11ot
..
.,_
...
Gla'd
llfflll
,-ftdt
..
8,tiftti
lLS
etn.c
,.,.
ard
ti,,nit
fflrildl
,..
.......
JL
S
Kk
-,.m;,
g
,...,r,
-i,di
..
fl:w
,-u
1MT
R
COOf..,,.
OUffio
mo(
or
..
MG
Eki.b
lcs
"
"'-"'nnM
EWD
907
.1 Single Phase U.S.A.
220
/ 1/
60Hz
rv••
T1-25N.4
HE-
1S-S
JU4-
1
0'10I(
220\f.........,._~
l
lSV~
TI.JZ/NA
Tl-3-$0/NA
IIK
•I
Z
,::s~r.O,H,
180QRJ'MH..,..
K
MtoACS-.J\J
l
KBSEO
A
CWVt.
lt.11
YJHM6
3
CSAAJl
AOJ/2
aAAJt.
(
Wiring
Diagram
J
64

Related product manuals