EasyManua.ls Logo

Haynes Mini - Page 201

Default Icon
250 pages
Print Icon
To Next Page IconTo Next Page
To Next Page IconTo Next Page
To Previous Page IconTo Previous Page
To Previous Page IconTo Previous Page
Loading...
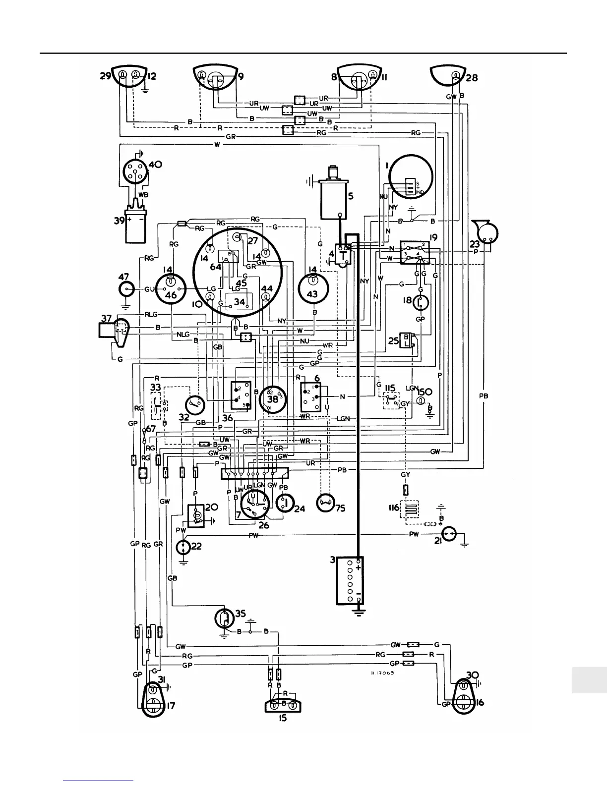
Wiring diagrams 12•21
12
Wiring diagram 4 - Mini 1000 Special De Luxe Saloon (with alternator and rocker type switches) - pre 1976