EasyManua.ls Logo

Haynes Mini - Page 224

Default Icon
250 pages
Print Icon
To Next Page IconTo Next Page
To Next Page IconTo Next Page
To Previous Page IconTo Previous Page
To Previous Page IconTo Previous Page
Loading...
12•44 Wiring diagrams
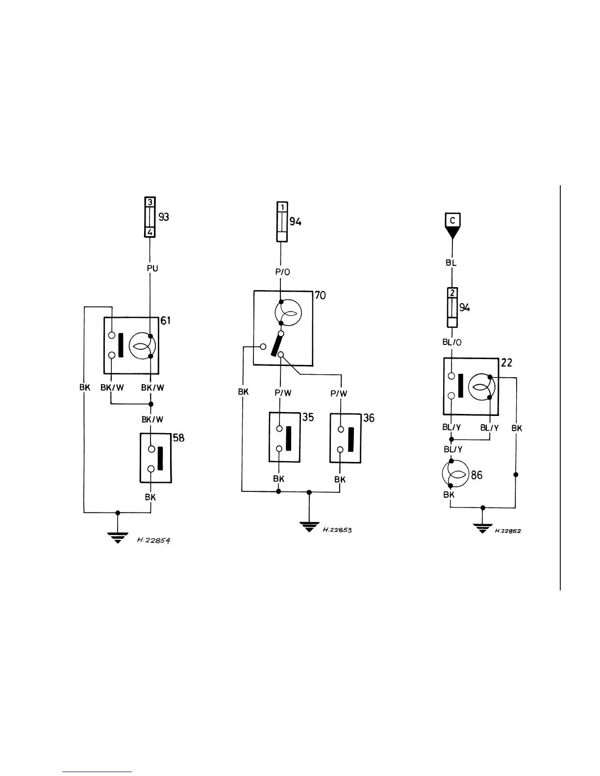
Wiring diagram 29 - Foglight circuit
(fuel-injected models)
C to Wiring diagram 19
Wiring diagram 28 - Interior light circuit
(fuel-injected models)
Wiring diagram 27 - Brake test circuit
(fuel-injected models)