EasyManua.ls Logo

Heco VICTA ELITE SUB 252A - Page 47

Heco VICTA ELITE SUB 252A
Print Icon
To Next Page IconTo Next Page
To Next Page IconTo Next Page
To Previous Page IconTo Previous Page
To Previous Page IconTo Previous Page
Loading...
47
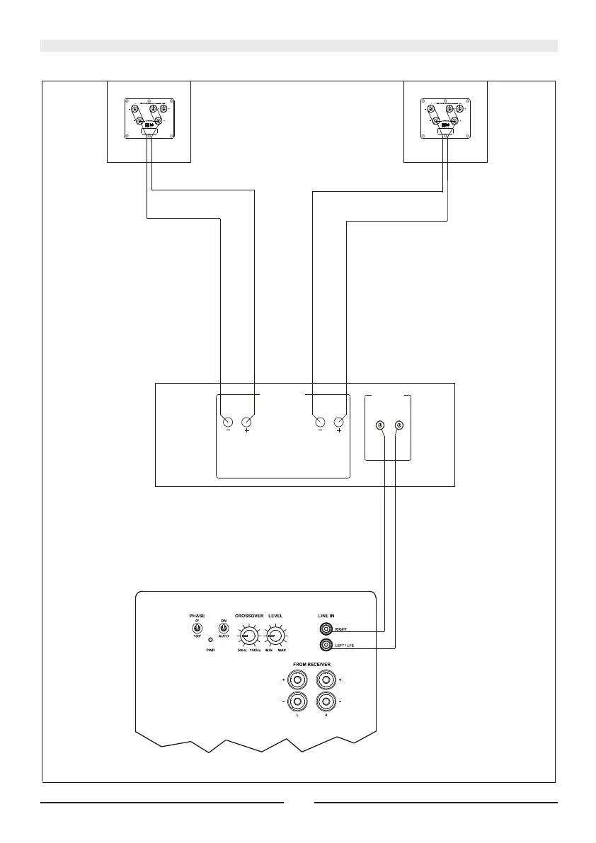
SUBWOOFER
FRONT RFRONT L
RECEIVER
SPEAKER OUT
FRONT L FRONT R
LINE OUT
R L
2

Related product manuals