EasyManua.ls Logo

Heco Victa Prime Sub 252 A - Page 39

Heco Victa Prime Sub 252 A
Print Icon
To Next Page IconTo Next Page
To Next Page IconTo Next Page
To Previous Page IconTo Previous Page
To Previous Page IconTo Previous Page
Loading...

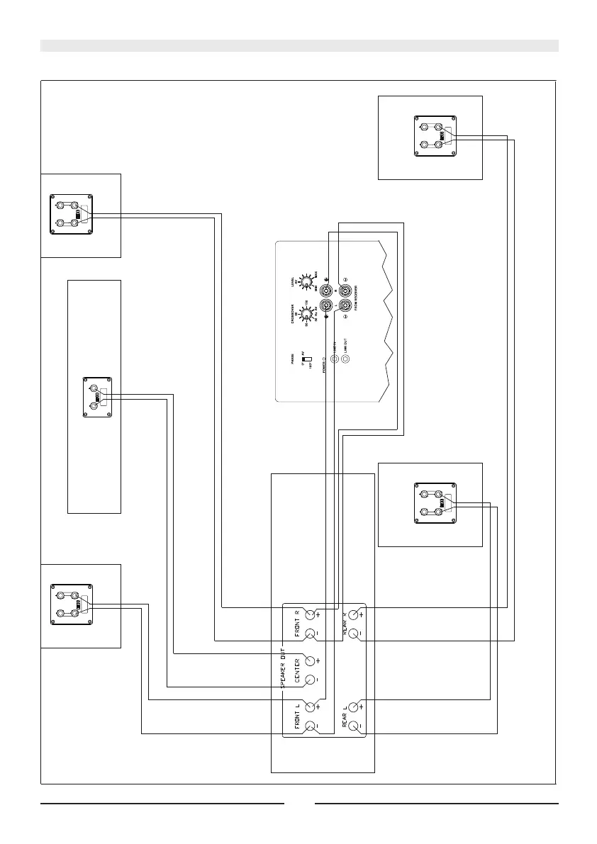
SUBWOOFER
REAR L REAR R
FRONT R
FRONT L
CENTER
RECEIVER
2

Related product manuals