EasyManua.ls Logo

Heli-Max MX400 PRO - Page 16

Heli-Max MX400 PRO
20 pages
Print Icon
To Next Page IconTo Next Page
To Next Page IconTo Next Page
To Previous Page IconTo Previous Page
To Previous Page IconTo Previous Page
Loading...
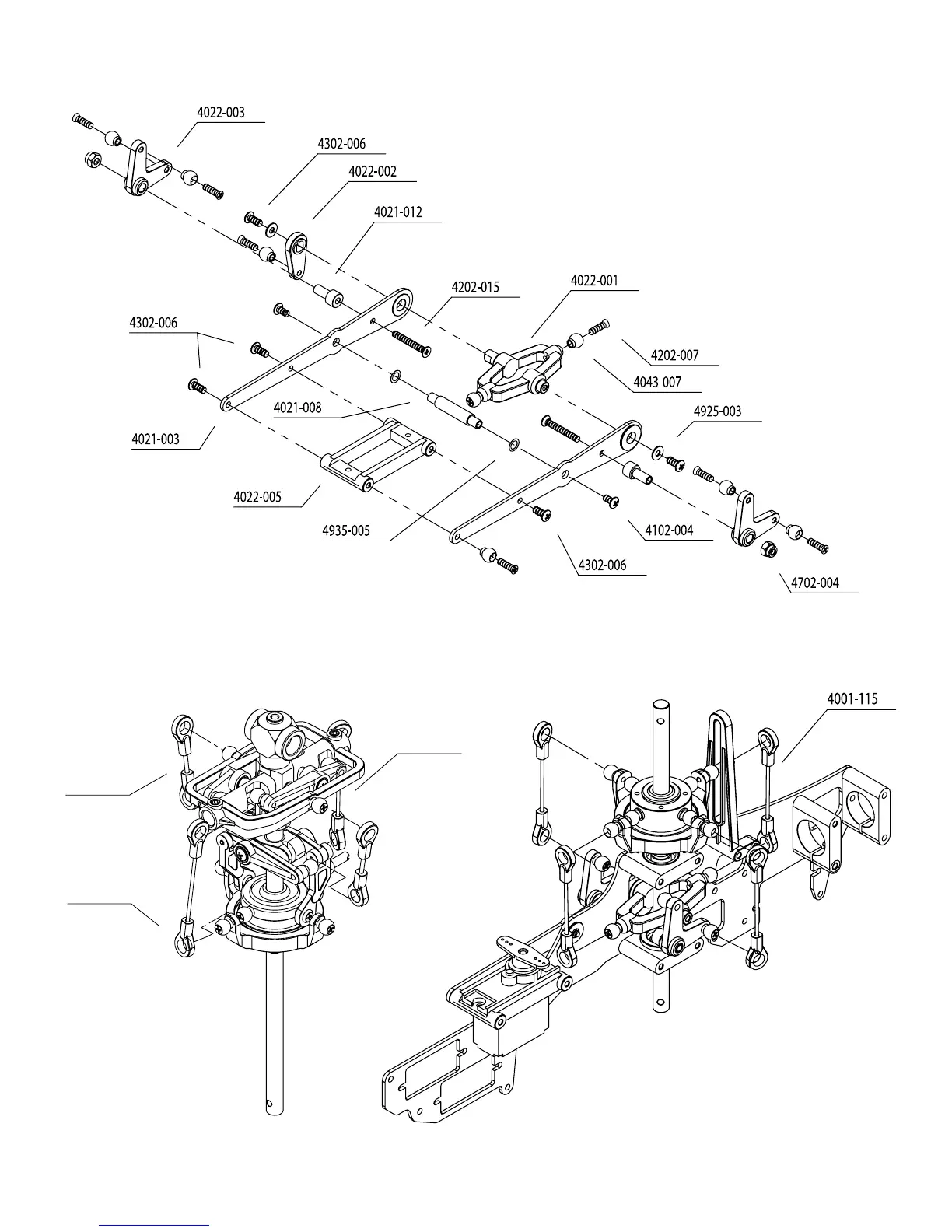
PITCH LEVER
LINKAGES
4001-116
4001-114
4043-002
16

Related product manuals