EasyManua.ls Logo

Helios easyControls 3.0 - Page 11

Helios easyControls 3.0
Print Icon
To Next Page IconTo Next Page
To Next Page IconTo Next Page
To Previous Page IconTo Previous Page
To Previous Page IconTo Previous Page
Loading...
Erweiterungsmodul KWL-EM eC für easyControls
Montage- und Betriebsvorschrift
9
DE DE
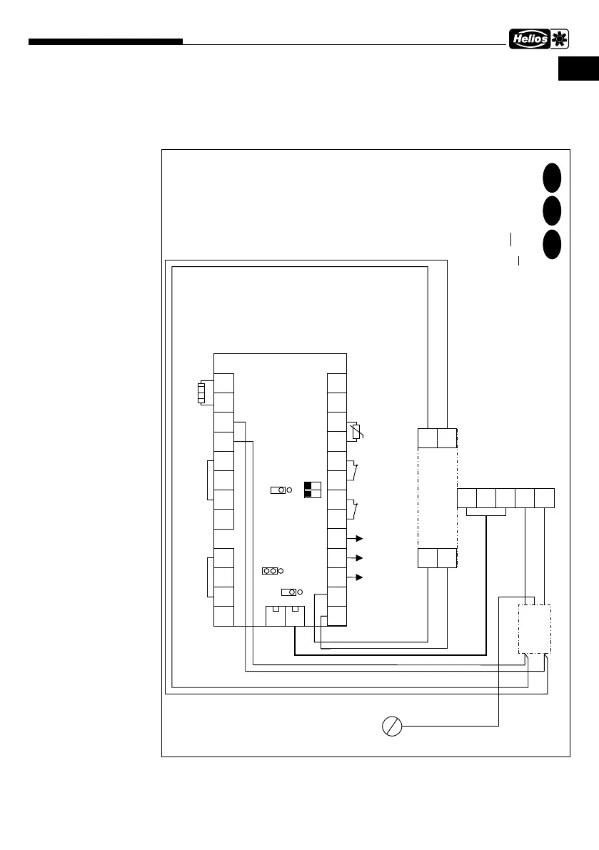
6�2 Verdrahtungsplan SS-1424 (Elektro-Nachheizung)
85499-246 ss_1424 27.09.21
D E F
12
3456789101112
13 14 15 16 17 18 19 20 21 22 23 24 25
PE
+24V 0-10V GND STB1 STB2
NTC Kanalfühler Nachheizung /
NTC duct sensor after heating /
NTC Sonde de gaine réchauffage
JP1
DIP
E-Heizung max. 2,4 kW 230 V /
Electric heater max. 2,4 kW 230 V /
Chauffage électrique 230 V max. 2,4 kW
JP2
JP3
BUS
EXT
DIP1 OFF: E-Heizung /
DIP1 OFF: Electric heater /
DIP1 OFF: Chauffage électrique
DIP1 ON: Warmwasser Nachheizung /
DIP1 ON: Water afterheater /
DIP1 ON: Réchauffement de l'eau
DIP2: Adresse KWL-EM eC /
DIP2: Adress KWL-EM eC /
DIP2 Adresse KWL-EM eC
ON
L
2 1
OFF
N
N
L
Bus B
Bus A
GND
+
N
-
L
24 V Netzteil /
24 V Power supply unit /
Bloc d‘alimentation 24 V
N
Filter /
Filtre
N
L L
PE
STB1: Sicherheitstemperaturbegrenzer sebständig rückstellend /
STB1: Safety temperature limiter self-resetting /
STB1: Limiteur de température de sécurité à réarmement
automatique
STB2: Sicherheitstemperaturbegrenzer nicht sebständig rückstellend /
STB2: Safety temperature limiter not resetting automatically /
STB2: Limiteur de température de sécurité ne se réinitialise pas
automatiquement

Related product manuals