EasyManua.ls Logo

HERO 3000 - Page 37

HERO 3000
38 pages
Print Icon
To Next Page IconTo Next Page
To Next Page IconTo Next Page
To Previous Page IconTo Previous Page
To Previous Page IconTo Previous Page
Loading...
H.E.R.O. INDUSTRIES Model 3000 Owner’s Manual
37
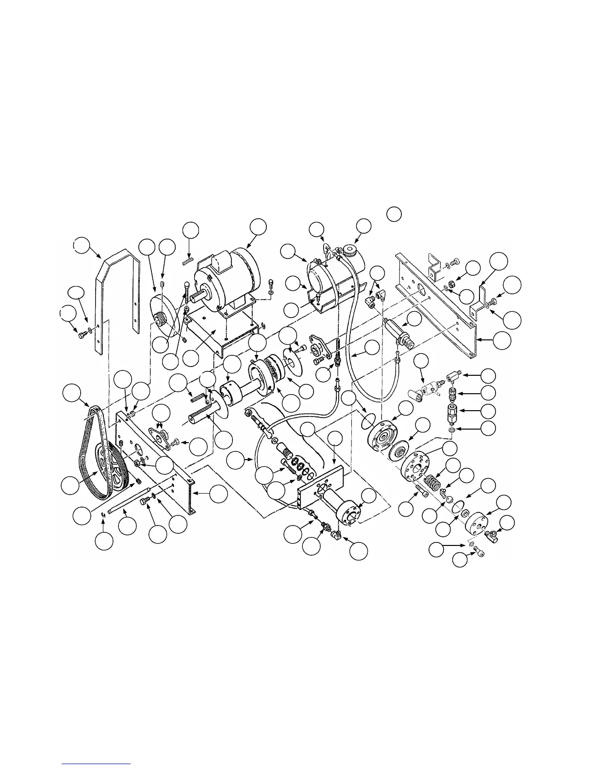
PARTS SCHEMATIC Model 3000
123
108 106
104
109
119
117
104
125
107
102
101
124
95
95
97
116
115
106
105
114
110
113
58
59
63
61
62
64
103
111
112
61
113
114
65
68
67
71
69
70
97
96
33
73
66
30
72
34
22
21
56
89
13
12
16
11
8
10
9
17
18
15
14
57
54
51
60
103
118
122
130
98
99
100

Related product manuals