EasyManua.ls Logo

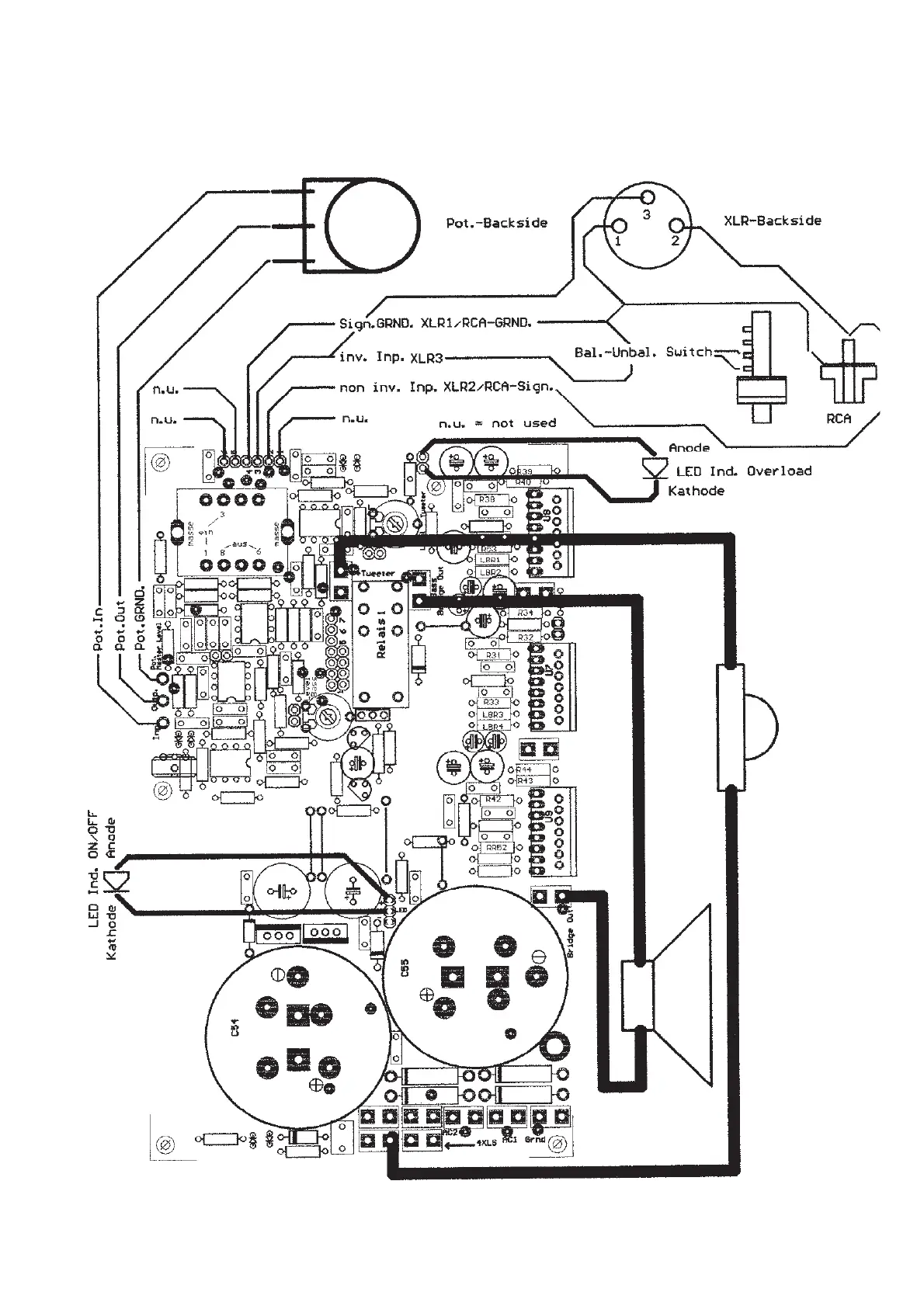
HHB Circle 5A - Connections to the Circuit Board; Circuit Board Wiring Diagram

Default Icon
16 pages
Print Icon
To Next Page IconTo Next Page
To Next Page IconTo Next Page
To Previous Page IconTo Previous Page
To Previous Page IconTo Previous Page
Loading...
Connections to the Circuit board
Version 1d: 01.99
Page 11