EasyManua.ls Logo

Holman T710 - Page 22

Holman T710
22 pages
Print Icon
To Previous Page IconTo Previous Page
To Previous Page IconTo Previous Page
Loading...
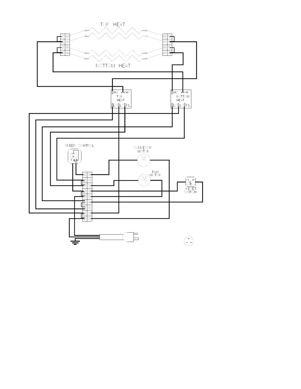
PLUG CONFIGURATION
NEMA 6-30P
REVISED 9/10/2008

Related product manuals