EasyManua.ls Logo

HOMCOM HD986-B7 - Page 35

HOMCOM HD986-B7
35 pages
Print Icon
To Previous Page IconTo Previous Page
To Previous Page IconTo Previous Page
Loading...
PCBA
Display
ACN
NTC
ACL
Tubo riscaldamento 1
Tubo riscaldamento 2
Riscaldamento 1
Riscaldamento 2
Spina
Interruttore
Messa a terra
Limitatore temperatura
N
L
1 2
3
(18) Quando si utilizza il radiatore, per evitare ustioni, non lasciare la pelle nuda a diretto
contatto con la superficie del riscaldamento elettrico. Assicurarsi dell’utilizzo della maniglia
quando si deve spostarlo.
(19) È vietato mettere asciugamani, vestiti, lenzuola, biancheria da letto, tende e altri
materiali combustibili che distanziano entro 1 metro dal radiatore. Gli oggetti devono
essere tenuti lontani per evitare la deformazione termica o lo scolorimento di mobili e di
altri oggetti.
(20) Non deve essere messo al riparo con l’oggetto sospeso instabile sopra dell’apparec-
chio con la distanza entro 1 metro.
(21) Quando si utilizza il radiatore, si deve dare superivisione sul bambino. Non lasciare
che il bambino si senta libero di toccare il radiatore per evitare danni.
(22) Quando si utilizza il radiatore, non aprire o chiudere frequentemente porte e finestre, il
che influirà sull'effetto del riscaldamento.
(23) Non utilizzare il radiatore all'aperto.
(24) Conservare il manuale del prodotto, non scartarlo.
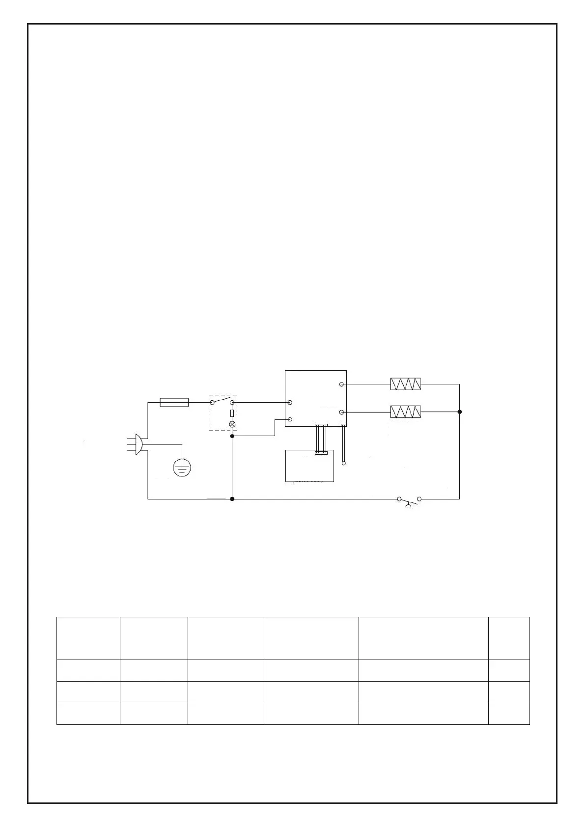
V. Schema
VI. I principali parametri tecnici
Connessione
termica
Figura 4 Schemat
Mod.
prodotto
Nr. Alette
Tensione
nominale (V)
Frequenza
(Hz)
Potenza nominale (W) Nota
HD986-B7 7 230 60
1500900+600
HD986-B9 9 230 60
20001200+800
HD986-B11 11 230 60 25001000+1500
35