EasyManua.ls Logo

Hoonved CAP 12 E BT - Page 109

Hoonved CAP 12 E BT
Print Icon
To Next Page IconTo Next Page
To Next Page IconTo Next Page
To Previous Page IconTo Previous Page
To Previous Page IconTo Previous Page
Loading...
Ed.11/2010
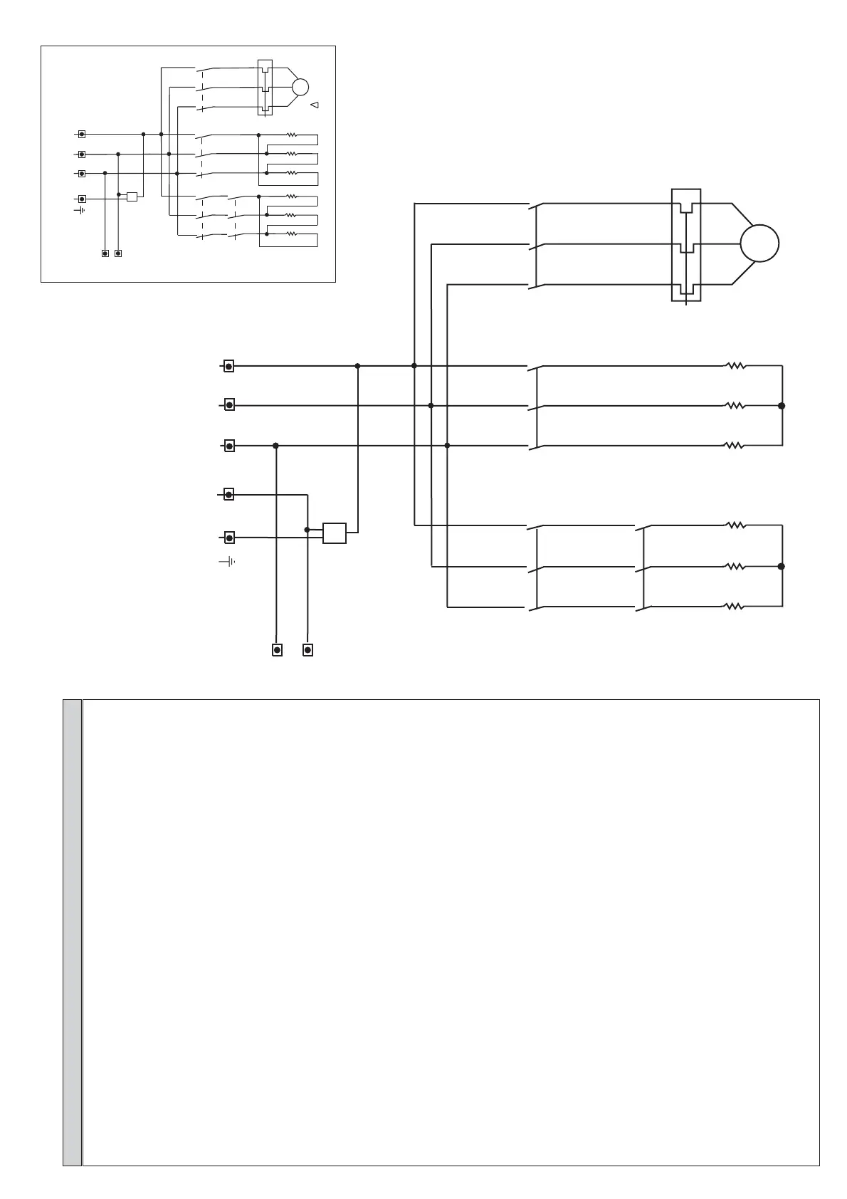
FA = Filtro Antidisturbo - Electromagnetic Field Filter
C1 = Teleruttore pompa lavaggio - Remote Switch for wash pump
C2 = Teleruttore resistenza vasca - Remote Control Switch for tank heating element
C3 = Teleruttore resistenza Boiler - Safety Remote Control Switch for boiler heating element
C4 = Teleruttore sicurezza - Safety Remote Switch
PT1 = Termica elettropompa - Electropumpe thermal protection
PLAV1 = Motore Pompa Lavaggio - Wash Pump
RB = Resistenza Boiler - Boiler heating element
RV = Resistenza vasca - Tank heating element
PP = Pompa Pressione
(optional) - Pump Pression (optional)
PS = Pompa Scarico (optional) - Drain Pump (optional)
DP = Morsetto per collegamento Dosatore Detersivo /Pomp pressione
Electrical terminal connection for Detergent/Pression Pump
MD = Motore pompa detersivo (optional) - Detergent pump motor (optional)
MP1 = Microinterruttore porta - Door microswitch
MP2 = Predisposizione doppio microinterruttore porta
Predisposition double door microswitch
TS = Termostato sicurezza boiler - Boiler Safety thermostat
F,F1,FA1 = Fusibile - Fuse
IL = Interruttore generale macchina - Line selector
ST = Pulsante Avvio Ciclo - START button
SD = Pulsante selezione Temperatura Boiler/Vasca (decrementa)
Boiler/Tank temperature selection button (decrease)
SI = Pulsante selezione Ciclo/Avviamento Automatico-Manuale (incrementa)
Cycle/Automatic or Manual Start (increase)
LC1 = Lampada Ciclo Corto - Short cycle light
LC2 = Lampada Ciclo Medio - Medium cycle light
LC3 = Lampada Ciclo Lungo - Long cycle light
LC4 = Lampada Ciclo Intensivo - Intensive cycle light
EVRIS = Elettrovalvola risciacquo e carico acqua - Rinse and water inlet electrovalve
EVRC = Elettrovalvola recupera condensa - Condensate recovery electrovalve
STB = Sonda temperatura boiler - Boiler temperature probe
STV = Sonda temperatura vasca - Tank temperature probe
PRV = Pressostato vasca - Tank pressostat
RC = Recupera condensa CAP - Condensate recovery for CAP
SCHEMA DI POTENZA / DIAGRAM POWER
M
LEGENDA - LEGEND
SO 100 - SO 120 E RC
400V3N ~ 50/60HZ
230V3 ~ 50/60HZ
N
400V 3N ~ 50/60Hz
L1 L2 L3
PE
230V~50Hz
FA
N
L1
C2
C1
C3
C4
1
2
3
4
5
6
1
2
3
4
5
6
1
2
3
4
5
6
1
2
3
4
5
6
6000 W (CAP 10-SO 100)
10000 W (CAP 12-SO 120)
PT1
M
3~
4000 W
1100 W (CAP 10-SO 100)
1620 W (CAP 12-SO 120)
RB
RV
PLAV1
RB
RB RB
RV
RV
RV
CAP 10 - CAP 12 E RC
230 V3~ 50 Hz
PT1
C2
1
2
3
4
5
6
C4
1
2
3
4
5
6
L1 L2
C1
1
2
3
4
5
6
RB
RB
RB
L1
L2
230 V~ 50 Hz
FA
C3
1
2
3
4
5
6
RV
RV RV
230 V3 ~ 50Hz
3~
L3
PE

Related product manuals