EasyManua.ls Logo

HP 339A - Page 101

HP 339A
125 pages
Print Icon
To Next Page IconTo Next Page
To Next Page IconTo Next Page
To Previous Page IconTo Previous Page
To Previous Page IconTo Previous Page
Loading...
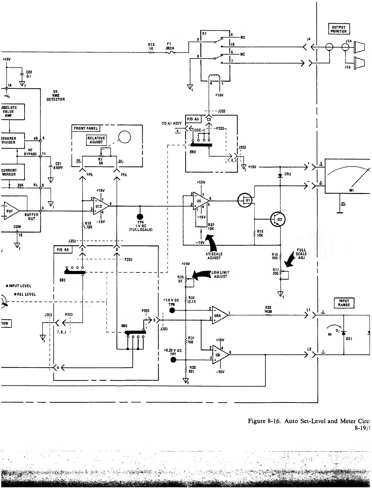
Figure
8-1.6.
Auto Set-Level and Meter Circi
8-19/:

Related product manuals