EasyManua.ls Logo

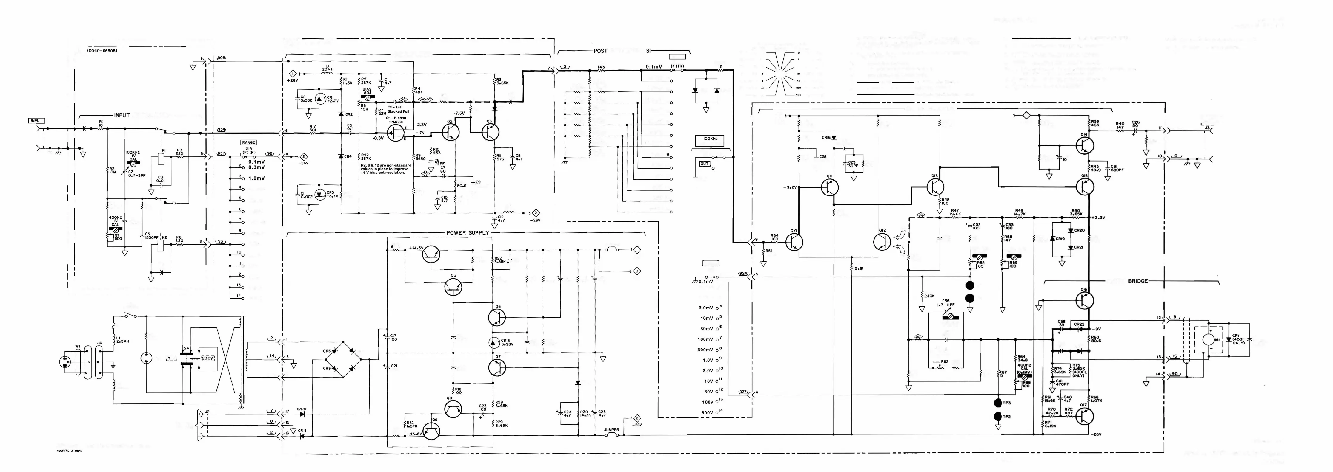
HP 400FL - Figure 6-3. Model 400 F;FL Schematic Diagram

HP 400FL
54 pages
Print Icon
To Next Page IconTo Next Page
To Next Page IconTo Next Page
To Previous Page IconTo Previous Page
To Previous Page IconTo Previous Page
Loading...








































 













  
 

















 




































  



 

 
















 










 





 
 
 
 









































 















  





























 
 


 









   
I




























































 





 





 












    
 



     

















 










   
    



 
      
     
   
     




    
    


 
    

 
 
 











 

  

  

  
   
  


   
     
   
    
  




















 







 







 


























 













 



















































 











 







 































 




Table of Contents

Related product manuals