EasyManua.ls Logo

HP 5304A - Page 51

HP 5304A
87 pages
Print Icon
To Next Page IconTo Next Page
To Next Page IconTo Next Page
To Previous Page IconTo Previous Page
To Previous Page IconTo Previous Page
Loading...
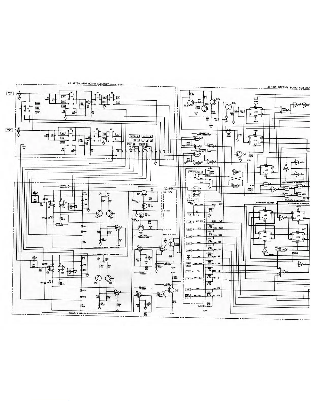
A2
ATTENUATOR BOARD ASSEMBLY COSJO*-coooz)
EJ
fl-n
00 00B
Isp.5
oio
1
iP Oh
05 07
Mv -
09
'wouLArmis
Oil
- ten lo |o
02 *
5
04
5
06
06
012
T
Al
TIME INTERVAL BOARD ASSEMBLE
y0'5
016
014
013^
v **
; [5^D
El IS)
"i>IS
-2ULL
mo *"
T
*•"