EasyManua.ls Logo

HP 5304A - Page 71

HP 5304A
87 pages
Print Icon
To Next Page IconTo Next Page
To Next Page IconTo Next Page
To Previous Page IconTo Previous Page
To Previous Page IconTo Previous Page
Loading...
Ai
TiME NTEPVAL BOARD ASbEMBLY <0530«
-
6000
016
000000
m
P/Q
AIPl
oxr
0 Oh
->33 fir
012
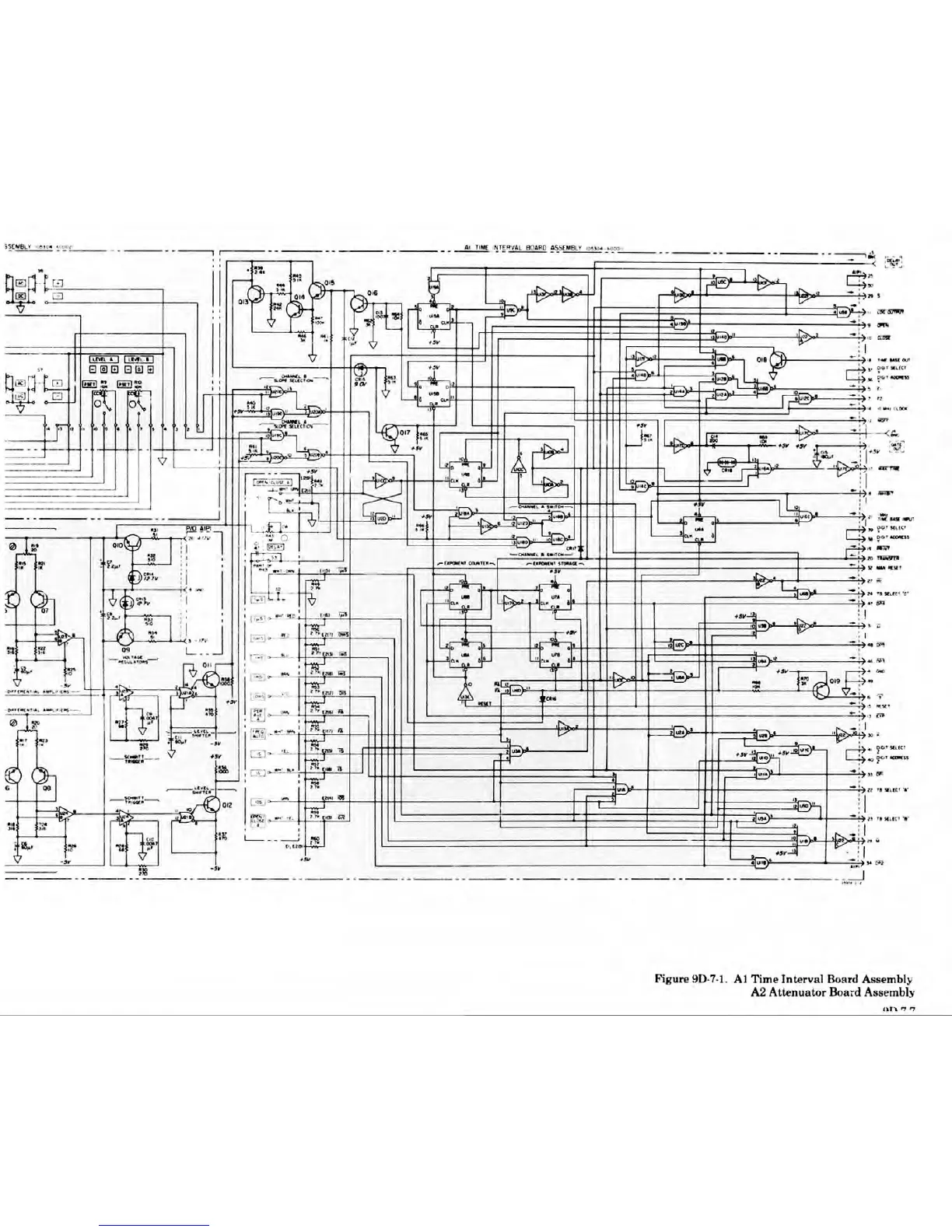
Figure 9D-7-1.
Al
Time Interval Board Assembly
A2
Attenuator Board Assembly
on 7 7