EasyManua.ls Logo

HP 8341b - Page 281

HP 8341b
530 pages
Print Icon
To Next Page IconTo Next Page
To Next Page IconTo Next Page
To Previous Page IconTo Previous Page
To Previous Page IconTo Previous Page
Loading...
Al
ALPHA
DISPLAY
*«s«i
A^_/
L
ca-nn
/ \
vlawii
\
/__
CIBLE
v'—|
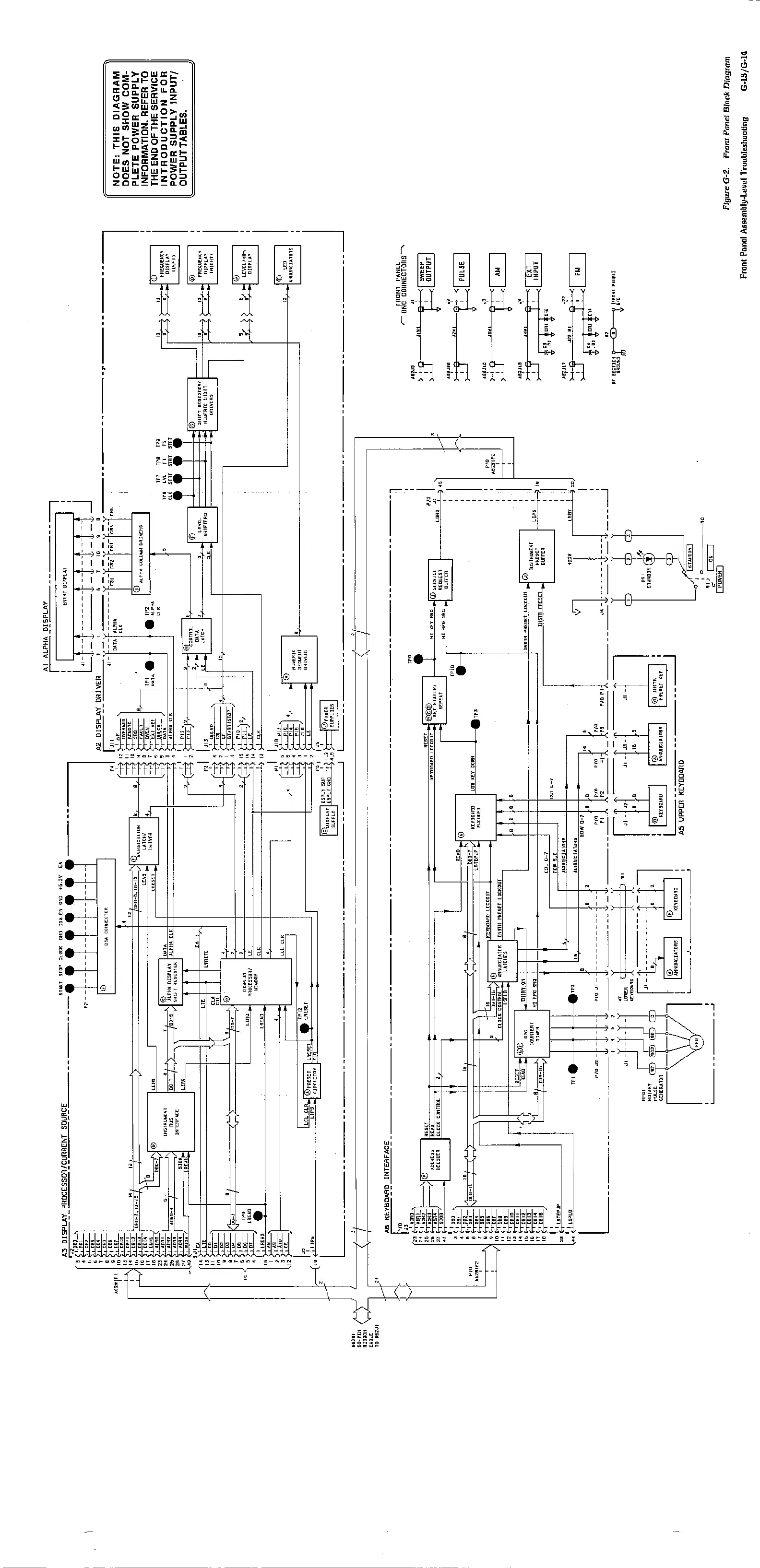
NOTE:
THIS DIAGRAM
DOES NOT
SHOW
COM¬
PLETE POWER SUPPLY
INFORMATION.
REFER
TO
THE END OF THE SERVICE
INTRODUCTION
FOR
POWER SUPPLY INPUT/
OUTPUT
TABLES.
Figure
G-2.
Front Ponel
Block
Diagram
Front Panel Assembly-Level
Troubleshooting
G-13/G-14

Table of Contents

Other manuals for HP 8341b

Related product manuals