EasyManua.ls Logo

Huntron TRACKER 2700 - Page 56

Default Icon
119 pages
Print Icon
To Next Page IconTo Next Page
To Next Page IconTo Next Page
To Previous Page IconTo Previous Page
To Previous Page IconTo Previous Page
Loading...
5-
14
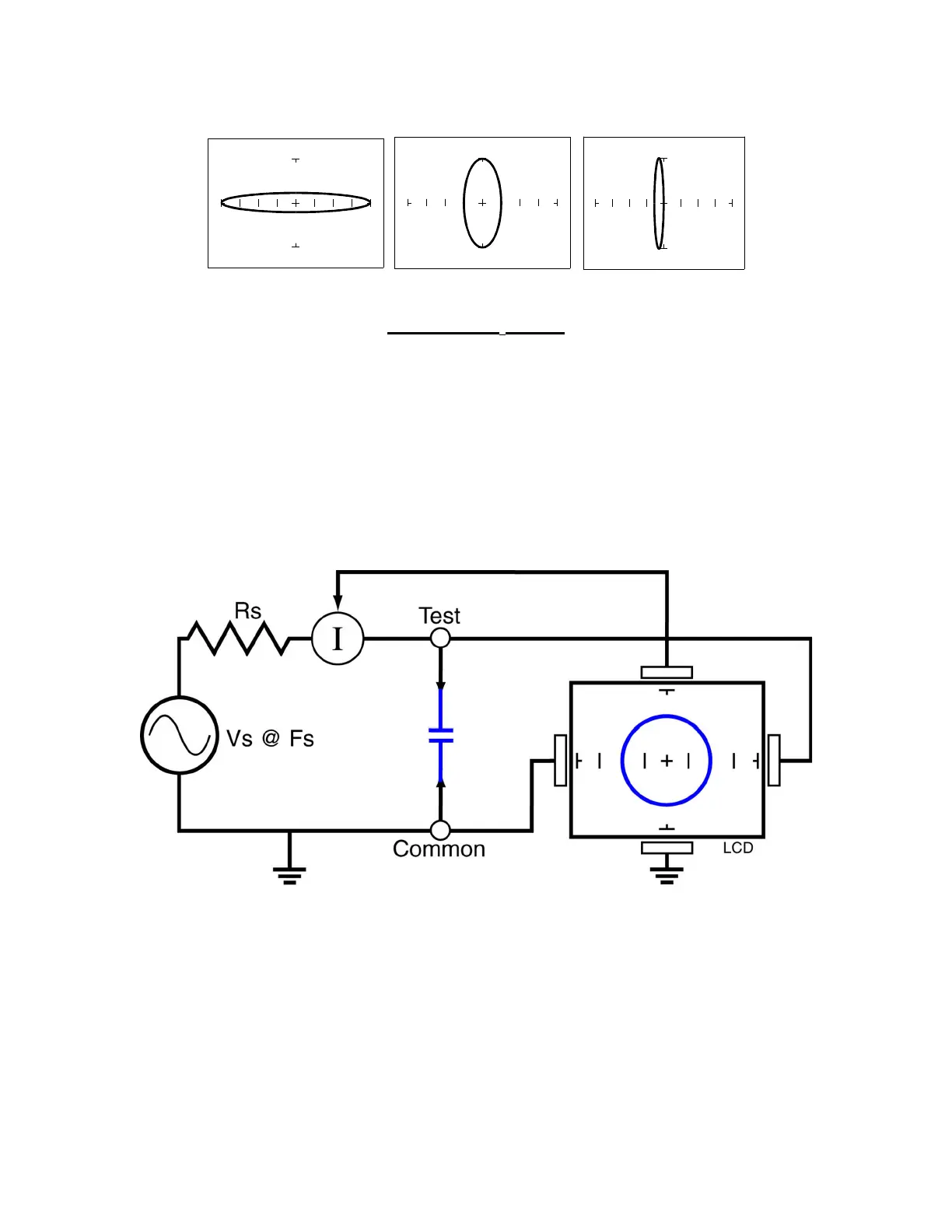
Effect of Resistance (R
s
) on the Signature of a 1µF Capacitor
R
S
= 1k
R
S
= 10k
R
S
= 100k
15 V Range, F
s
= 60Hz
Figure 5-18. Signatures of a 1µF Capacitor at Different Internal Resistances
As the Tracker 2700's internal resistance R
S
increased, the capacitor's signature changes from a
horizontal elliptical pattern to a vertical elliptical pattern.
Understanding Capacitor Tracker Signatures
Figure 5-19. Tracker Core Circuit Block Diagram with a Capacitor.
The Tracker 2700 LCD displays as a response to its test signal, a tracker signature that
represents the relationship between voltage, current and resistance of a component. For circuits
that contain capacitors, the effective resistance is called capacitive reactance, X
C
. The
mathematical formula is:

Other manuals for Huntron TRACKER 2700