EasyManua.ls Logo

Husqvarna YTH1848 - MOWER DECK

Husqvarna YTH1848
48 pages
Print Icon
To Next Page IconTo Next Page
To Next Page IconTo Next Page
To Previous Page IconTo Previous Page
To Previous Page IconTo Previous Page
Loading...
44
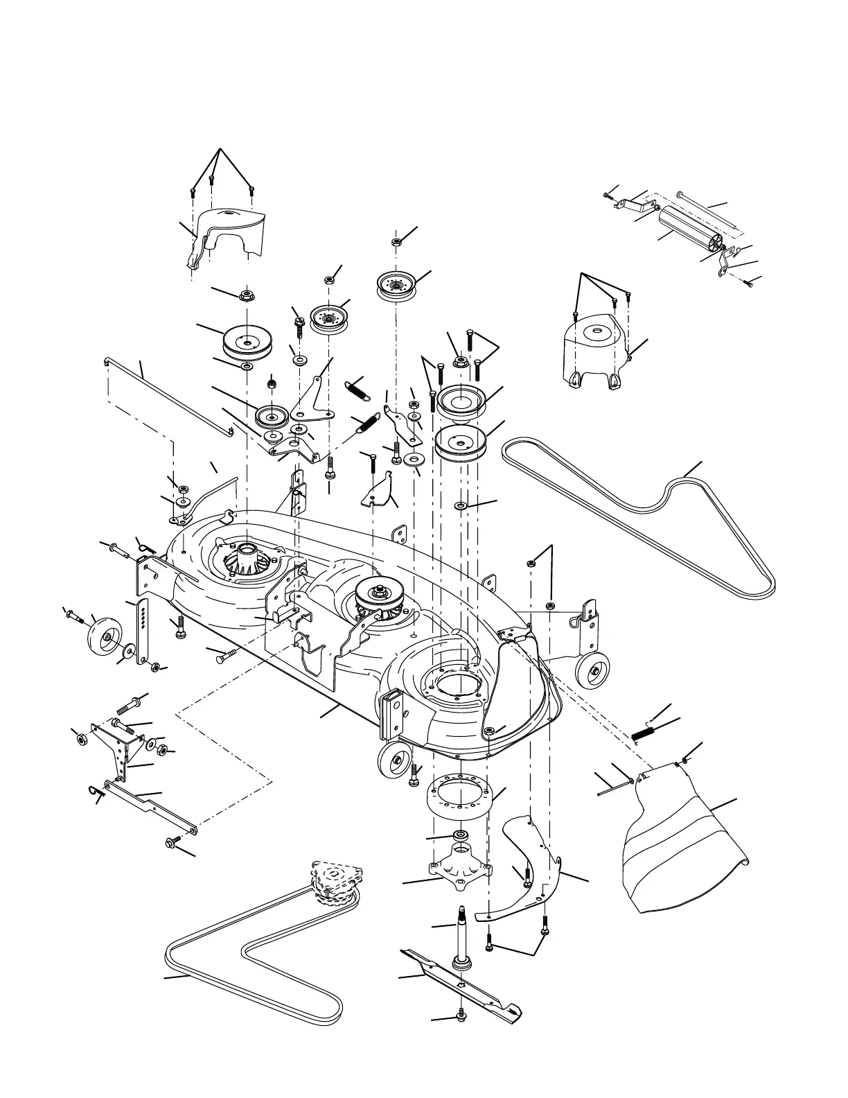
REPAIR PARTS
TRACTOR - MODEL NUMBER YTH1848XP (HAU18H48K), PRODUCT NO. 954 17 02-26
MOWER DECK
57
56
118
116
119
5
117
46
45
33
46
45
33
30
30
30
32
39
21
20
18
21
31
1
32
31
52
24
25
26
27
28
29
18
8
11
13
16
100
113
17
48
19
5
6
3
55
54
72
92
92
14
15
47
49
49
49
49
130
43
121
126
97
115
50
50
98
42
99
42
114
110
112
21
122
42
97
37
184
mower_deck.48prem_stlt

Related product manuals