EasyManua.ls Logo

Husqvarna YTH1848XP - Page 34

Husqvarna YTH1848XP
48 pages
Print Icon
To Next Page IconTo Next Page
To Next Page IconTo Next Page
To Previous Page IconTo Previous Page
To Previous Page IconTo Previous Page
Loading...
34
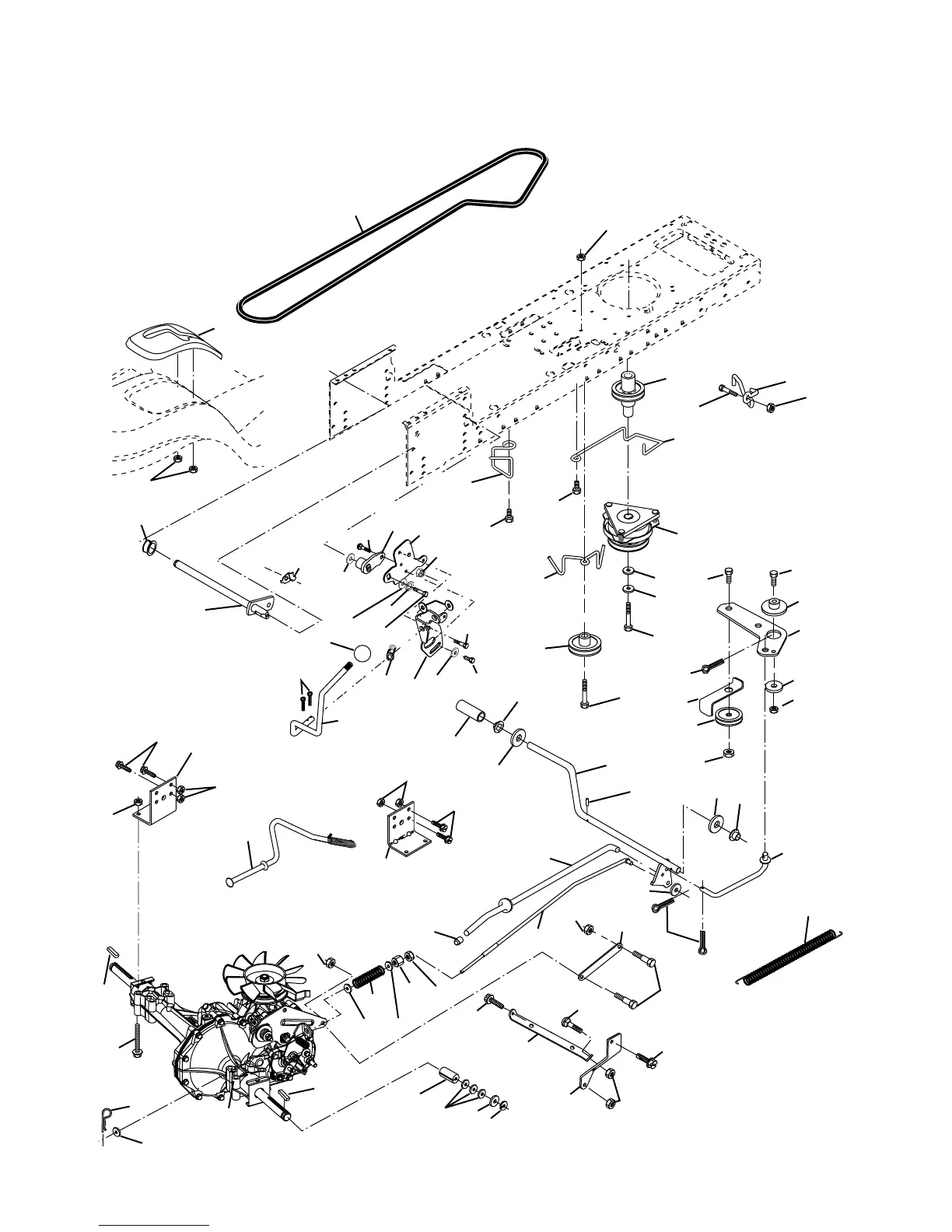
REPAIR PARTS
TRACTOR - MODEL NO. YTH1848XP (HAU18H48C), PRODUCT NO. 954 17 00-57
DRIVE
29
28
30
52
32
37
53
35
55
36
62
35
36
22
34
16
1
77
77
84
16
250
71
200
73
16
250
199
32
30
52
57
96
26
25
19
24
26
26
95
76
78
75
74
27
26
59
61
15
89
90
51
27
51
48
150
151
202
49
47
50
120
81
156
166
165
82
168
163
14
164
21
8
10
83
159
161
198
158
162
169
197
16
9
17
65
20
66
63
56
38
41
39
23
212
116

Related product manuals