EasyManua.ls Logo

Husqvarna YTH1848XP - MOWER DECK COMPONENTS

Husqvarna YTH1848XP
48 pages
Print Icon
To Next Page IconTo Next Page
To Next Page IconTo Next Page
To Previous Page IconTo Previous Page
To Previous Page IconTo Previous Page
Loading...
42
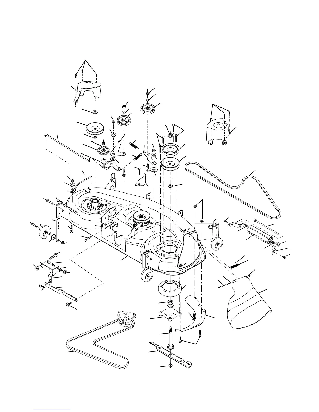
REPAIR PARTS
TRACTOR - MODEL NO. YTH1848XP (HAU18H48C), PRODUCT NO. 954 17 00-57
MOWER DECK
57
56
118
116
119
5
117
46
45
33
46
45
33
30
30
30
32
39
21
20
18
21
31
1
32
31
36
36
52
24
25
26
27
28
29
18
8
11
13
16
100
113
48
19
5
6
3
55
54
72
92
92
14
15
47
49
49
49
49
130
43
121
126
97
115
50
50
98
42
99
42
114
110
112
21
122
42
97
36
37
184
90
91
94
180
180
182
95
183
90

Related product manuals