EasyManua.ls Logo

Husqvarna YTH2748 - Page 34

Husqvarna YTH2748
48 pages
Print Icon
To Next Page IconTo Next Page
To Next Page IconTo Next Page
To Previous Page IconTo Previous Page
To Previous Page IconTo Previous Page
Loading...
34
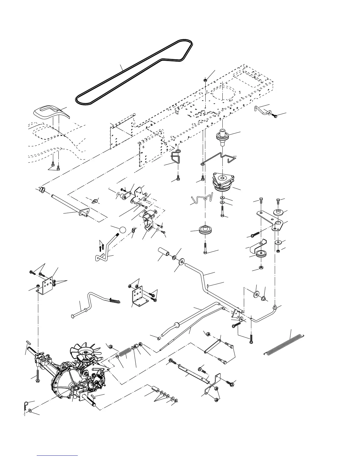
TRACTOR - MODEL NO. YTH2748 (96013001000), PRODUCT NO. 960 13 00-10
DRIVE
29
28
30
52
32
37
53
35
55
36
62
35
36
22
34
16
1
77
77
84
16
263
71
200
73
16
263
199
32
30
52
57
96
26
25
19
24
26
26
95
76
78
75
74
27
26
59
61
38
41
39
56
9
63
65
17
64
66
15
89
120
27
51
48
150
151
202
49
47
50
120
81
156
166
165
82
168
163
14
112
21
8
10
83
159
161
198
158
162
169
197
16
drive-hydro.stlt_73
23
254
69

Related product manuals