EasyManua.ls Logo

Husqvarna YTH2754XP - Page 29

Husqvarna YTH2754XP
44 pages
Print Icon
To Next Page IconTo Next Page
To Next Page IconTo Next Page
To Previous Page IconTo Previous Page
To Previous Page IconTo Previous Page
Loading...
29
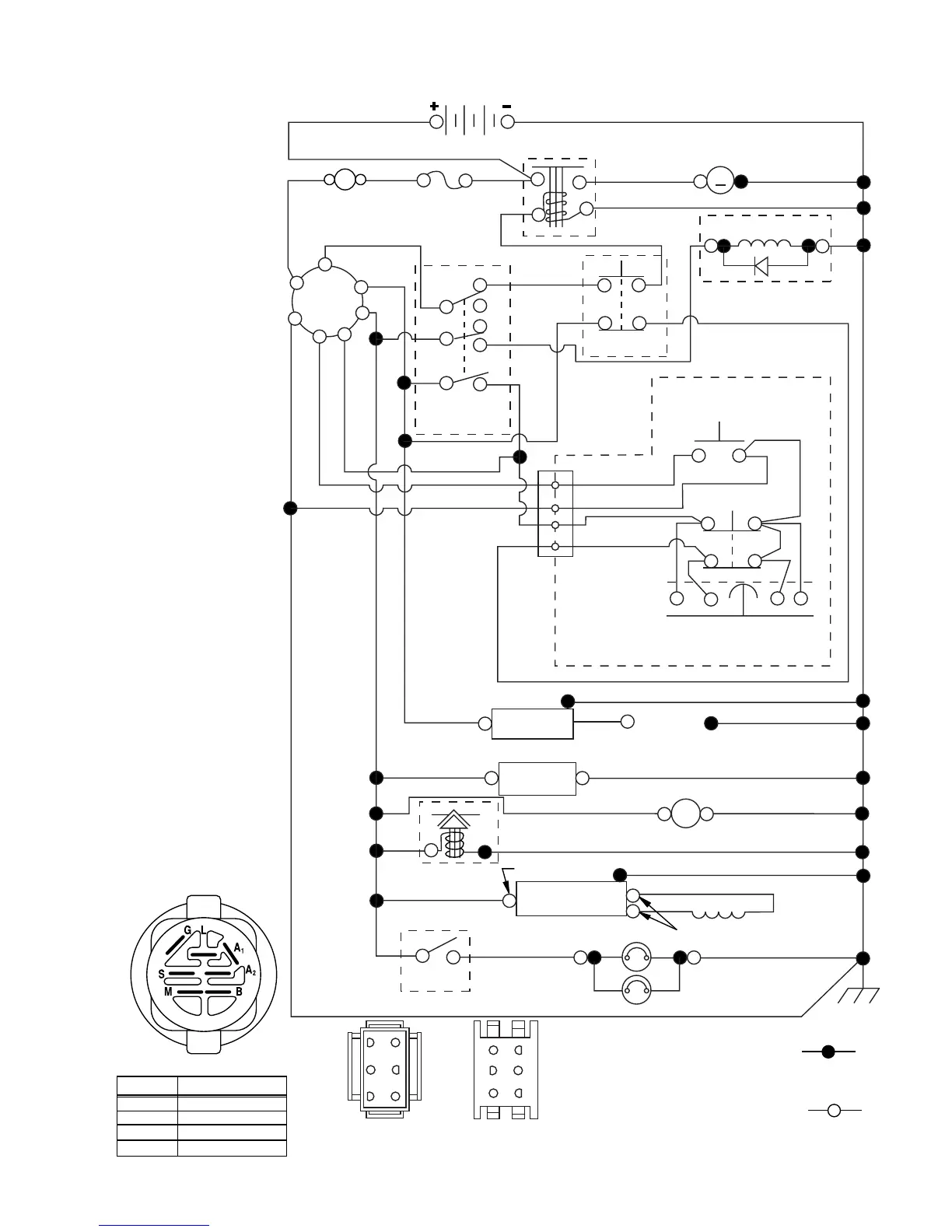
M
FUSE
STARTER
SOLENOID
BATTERY
ELECTRIC CLUTCH
CLUTCH/BRAKE
(PEDAL UP)
REVERSE SWITCH
(NOT IN REVERSE)
SEAT SWITCH
(NOT OCCUPIED)
SHORTING
CONNECTOR
CHASSIS
HARNESS
IGNITION
UNIT
HOUR
METER
REGULATOR
CHASSIS HARNESS
CONNECTOR
(MATING SIDE)
DASH HARNESS
CONNECTOR
(MATING SIDE)
LIGHT
SWITCH
HEADLIGHTS
STATOR
FUEL
LINE
FUEL SHUT-OFF
SOLENOID
(IF SO EQUIPPED)
JUNCTION
CONNECTOR
PTO SWITCH
(DISENGAGED)
S
M
B
G
L
2
3
1
6
A2
A1
M
63
52
41
6
5
4
3
2
1
SPARK
PLUGS GAP
(2 PLUGS ON
TWIN CYL. ENGINES)
28 VOLTS AC @ 3600 RPM (REGULATOR DISCONNECTED)
CHARGING SYSTEM OUTPUT
15AMPDC@36RPM
(OPTIONAL)
NON-REMOVABLE
CONNECTIONS
REMOVABLE
CONNECTIONS
WIRING INSULATED CLIPS
NOTE: IF WIRING INSULATED
CLIPS WERE REMOVED FOR
SERVICING OF UNIT, THEY
SHOULD BE REPLACED TO
PROPERLY SECURE YOUR
WIRING.
02928-194276_Regulated-Tex
IGNITION SWITCH
CIRCUITPOSITION
OFF
B+A1
RUN/OVERRIDE
B+S+A1START
M+G+A1
B+A1RUN
“MAKE”
L+A2
02928
POWER OUTLET
(IF SO EQUIPPED)
12V
A
AMMETER
(OPTIONAL)
BLACK
BLACK /WHITE
ORANGE
RED
BROWN
BLUE
BLUE
BLACK
BLACK
BLACKBLACK
BLACK
BLACK
BLACK
BLACK
BLACK
BLACK
BLACK
RED
RED
RED
RED
WHITE
WHITE
WHITE
GRAY
GRAY
BLACK
BLACK
TRACTOR - MODEL NO. YTH2754XP (96041000501), PRODUCT NO. 960 41 00-05
SCHEMATIC

Related product manuals