EasyManua.ls Logo

Hussmann Q3SSM6S - Page 40

Hussmann Q3SSM6S
44 pages
Print Icon
To Next Page IconTo Next Page
To Next Page IconTo Next Page
To Previous Page IconTo Previous Page
To Previous Page IconTo Previous Page
Loading...
P/N 0562873_M U.S. & Canada 1-800-922-1919 • Mexico 1-800-890-2900 • www.hussmann.com
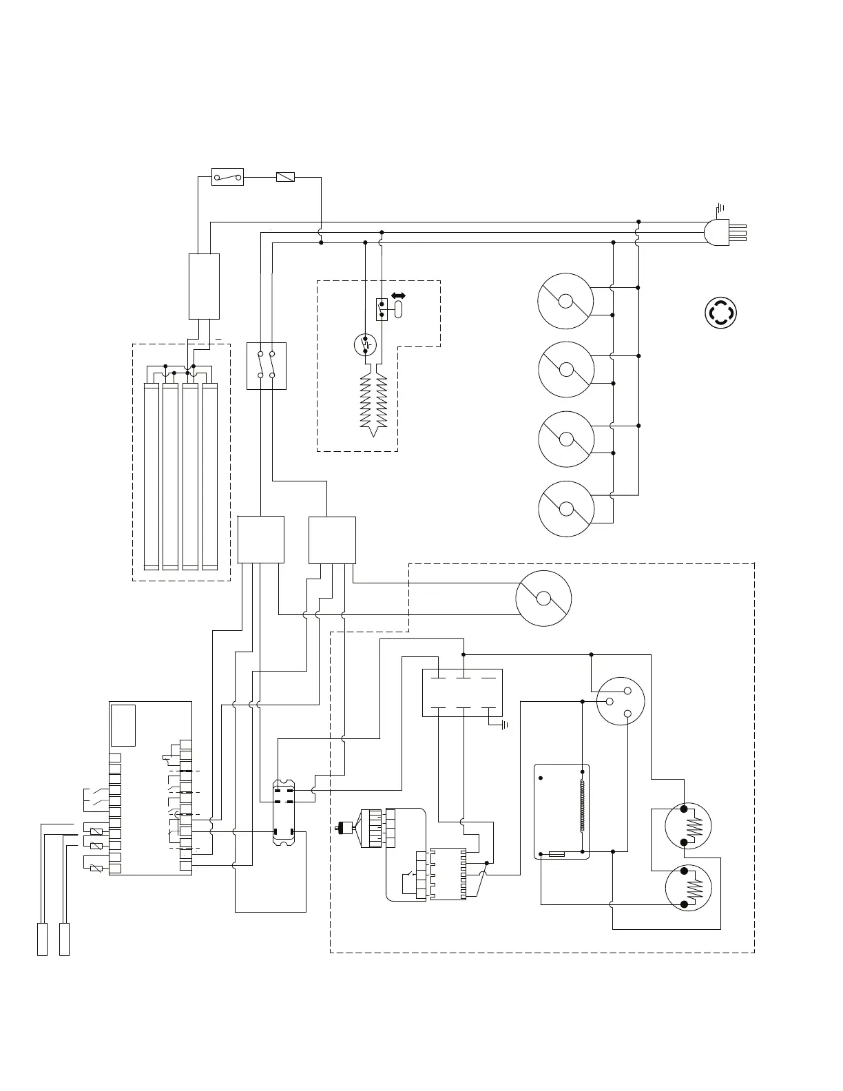
5-14 sErvIcE tEchnIcal Data
COM
NO
COM
NO
0
1
8
4
6
2
POWER
SUPPLY
START
CAPACITOR
C
S
R
L1
L2
GR
EVAPORATOR
FANS
RELAY
COMPRESSOR
COMPRESSOR
CONDENSER
FAN
BK
R
BK
W
BK
R
BK
R
R
BK
BK
R
ELECTRIC SPECS
MODEL: Q2SSM8S / Q3SSM8S
VOLTAGE: 115 / 230
FRECUENCY: 60 HZ
UNIT CONDENSER:FJAF -B100-CFV-021 R404A COPELAND
FUSE
ORG
BK
W
0556822_H
BL
R
BK
NE MA
L14-30 P
230V
60HZ
1HP
SWITCH
S3
S1
S2
S4
UNIT CONDENSER
W
BK
R
FLOAT
SWITCH
SAFETY
SWITCH
BK
SWITCH
RUN
CAPACITOR
BL
R
Y
BK
Y
Y
W
PRESSURE
CONTROL
POTENTIAL
RELAY
1
2
5
4
R
R
HARNESS
BL
SPLICE
BK
BK
R
1
3 4
5
9
10
11
12
TO SUCTION
TRANSDUCER
R
R
SHELF LED
SHELF LED
R
GR
CANOPY LED
CANOPY LED
OPCIONAL KIT LED
WARNING
UNPLUG THE UNIT BEFORE SERVICING
ATTENTION
BRANCHER L´APPAREIL AVANT DE FAIRE L´ENTRETIEN
PRECAUCN
DESCONECTAR EL EQUIPO ANTES DE HACER CUALQUIER
REPARACIÓN
13 14 15 16 17 18 19 20
12
3
45
678
9 10 11 12
230V
DO1
DO2 DO3 DO4
S3
S4
S5
DI1
DI2
SENSOR TEMP.
CONTROL AK-CC210
CONTROL
TEMPERATURE
W
W
R
R
R
BK
BL
BK
SENSOR DEFROST.

Related product manuals