EasyManua.ls Logo

Hydro-Pro 7024515 - Electrical Wiring; Wiring Diagrams by Model

Default Icon
230 pages
Print Icon
To Next Page IconTo Next Page
To Next Page IconTo Next Page
To Previous Page IconTo Previous Page
To Previous Page IconTo Previous Page
Loading...
18
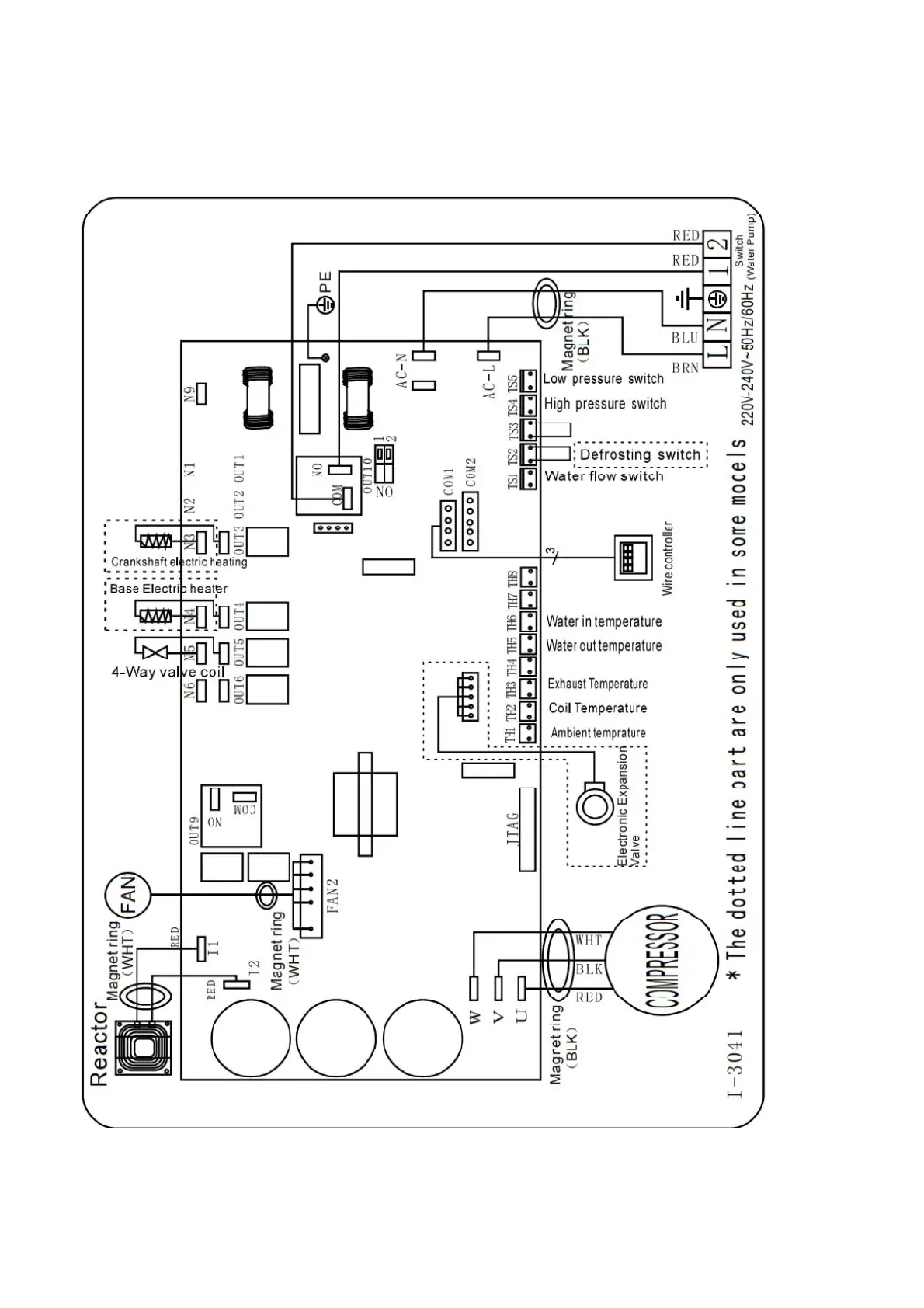
5. Electrical Wiring
5.1 SWIMMING POOL HEAT PUMP WIRING DIADRAM
Z7/32, Z11/32, Z14/32, Z16/32, Z19/32

Related product manuals