EasyManua.ls Logo

Hydrotec HYDROWELL Compact 2E - Page 30

Default Icon
37 pages
Print Icon
To Next Page IconTo Next Page
To Next Page IconTo Next Page
To Previous Page IconTo Previous Page
To Previous Page IconTo Previous Page
Loading...
P a g e 30 | 38
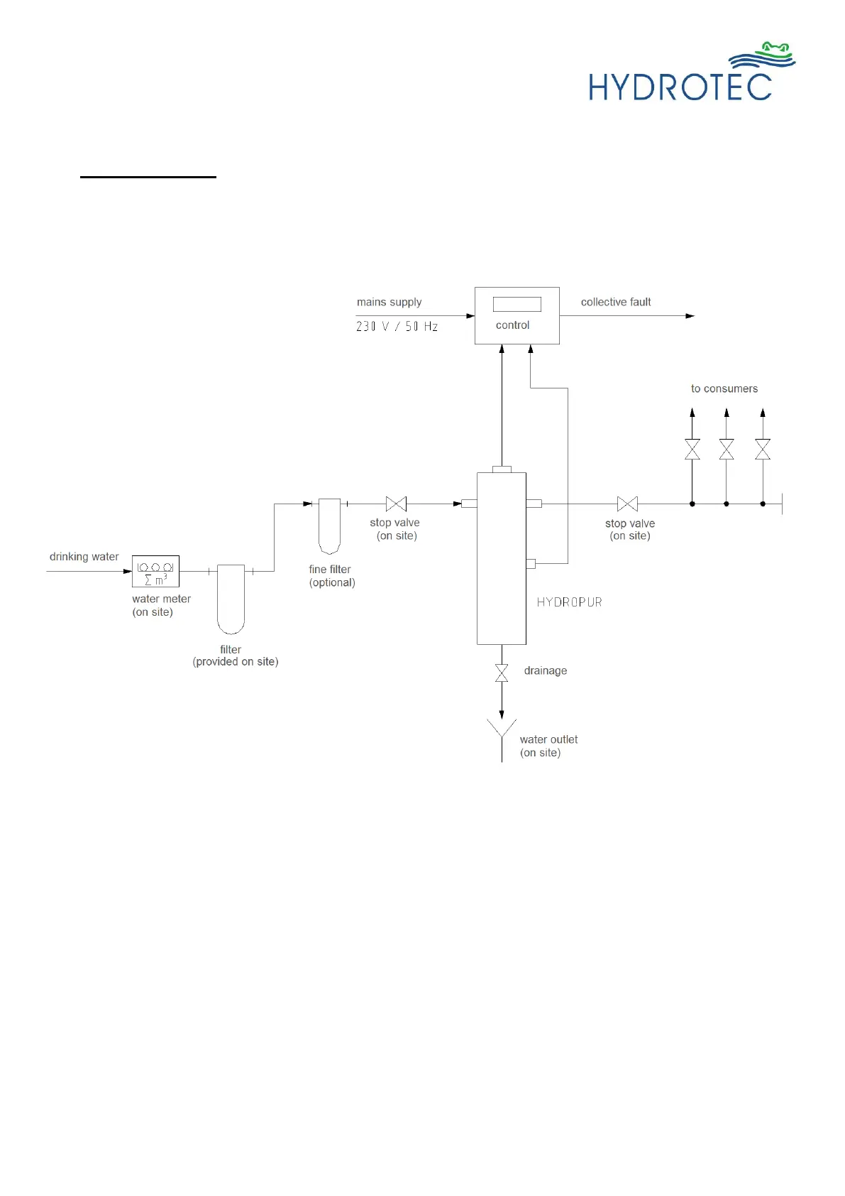
Appendices 1:
Installation Schematic UV Disinfection System

Related product manuals